Electronics Fundamentals/Diode Circuit

Digital Logic Gate

AND Gate

OR Gate

Diode Bridge or Graetz Bridge

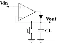
Peak Detector