Practical Electronics/Amplifiers/Common emitter
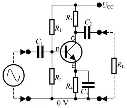
Transistor - Common_Emitter_amplifier

QUALITATIVE CHARACTERISTICS
- Current Gain: ..... HIGH
- Voltage Gain: ..... HIGH
- Power Gain: ..... HIGH
- Input Impedance: ... AVERAGE
- Output Impedance:... AVERAGE
QUANTITATIVE CHARACTERISTICS
Input Resistance(base): Zb=β×re'
-> β: Current Gain (Ic/Ib), where 'Ic' is Colector DC current and 'Ib' is DC Base current; -> re': Base-Emitter (Ut/Ie), where Ut is thermal voltage(≈25mV at 25°C) and 'Ie' is DC emitter current;
Input Resistance(general): Zg= Zb || R1 || R2, where R1 and R2 are the same as the picture above.