Габарит погрузки
Габарит погрузки при железнодорожной перевозке — термин, использующийся в странах СНГ, обозначающий предельное поперечное перпендикулярное оси пути очертание, в котором полностью помещается, с учётом упаковки и крепления, груз на открытом подвижном составе.
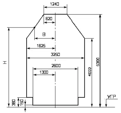
Габариты погрузки железных дорог колеи 1520 мм
Применяются следующие габариты[1]:
- Основной — для всех грузов;
- Льготный — для грузов, расположенных в пределах кузова вагона или платформы;
- Зональный — для лесных грузов.
Для некоторых участков железных дорог применимость этих габаритов ограничена.
Очертания габаритов изображены на рисунках (УГР — уровень головок рельсов).
Основной габарит
Льготный габарит
Зональный габарит
Негабаритность груза
Груз, включая упаковку и крепление, является негабаритным, если он при размещении на открытом подвижном составе, находящемся на прямом горизонтальном участке пути и при совмещении продольной вертикальной плоскости симметрии вагона с осью железнодорожного пути, превышает очертание основного габарита погрузки, или его геометрические выносы в кривых за пределы основного габарита погрузки превышают геометрические выносы в соответствующих кривых расчётного вагона (вагона с длиной рамы 24 м и базой 17 м).
Определение степени негабаритности
Устанавливаются три основных зоны негабаритности:
- Зона нижней негабаритности - на высоте от 480 до 1229 мм при расстоянии от оси пути 1626-1760 мм и на высоте от 1230 до 1399 мм - при расстоянии 1626-2240 мм;
- Зона боковой негабаритности - на высоте от 1400 до 4000 мм от УГР;
- Зона верхней негабаритности - на высоте от 4001 до 5300 мм.

Дополнительно для определения условий пропуска грузов верхней негабаритности на двухпутных линиях вводится условная зона совместной боковой и верхней негабаритности: на высоте от УГР от 4001 до 4625 мм на расстоянии от оси пути от 1625 мм до границы зоны негабаритности.
В зависимости от величины выхода негабаритных грузов за габарит погрузки в зонах негабаритности установлены следующие степени негабаритности:
- В нижней зоне - шесть степеней;
- В боковой зоне - шесть степеней;
- В верхней зоне - три степени.
Груз, превышающий предельные очертания зон негабаритности, а также габарит погрузки в нижней (ниже 480 мм от УГР) и верхней (выше 5300 мм от УГР), называется сверхнегабаритным.
Присвоение степеней негабаритности производится следующим образом:
- Сечения груза совмещаются с очертанием габарита погрузки и/или степеней негабаритности;
- Определяются критические точки сечения (наиболее удалённые от УГР и от продольной плоскости симметрии вагона);
- При необходимости проверяется расчетная негабаритность путём определения разностей между геометрическими выносами груза и расчетного вагона;
- При наличии расчетной негабаритности критические точки смещаются от продольной плоскости симметрии вагона на величину разности выносов;
- Верхние, боковые 4-я, 5-я и 6-я и нижние степени присваиваются при попадании критической точки в очертание этой степени;
- Боковые 1-ю, 2-ю и 3-ю степени присваивают следующим образом:
- Если полуширина груза на высоте 1400-4000 мм больше полуширины груза на высоте 4601-4625 мм - обычным путём (по размерам груза на высоте 1400-4000 мм);
- В противном случае - по размерам груза на высоте 4001-4625 мм.
Расчетная негабаритность
Расчетная негабаритность проверяется для следующих грузов:
- Длинномерных (отношение длины к базе подвижного состава больше 1,41);
- Перевозимых на сцепах платформ;
- Перевозимых на транспортерах с базой 17 м и более.
Базой подвижного состава называется расстояние между направляющими сечениями, за которые принимаются:
- У двухосных вагонов - сечения по оси колесных пар;
- У четырёх-, шести- и восьмиосных вагонов - сечения по оси пятников кузова;
- У сцепа платформ - расстояние между вертикальными осями турникетных опор, установленных на каждой платформе;
- У транспортера колодцевого, платформенного, площадочного и сочлененного типа без водильных устройств - расстояние между осями пятников главных балок.
Поперечные сечения груза, расположенные за пределами базы, называются наружными, в пределах - внутренними.
В качестве расчетного принимается вагон с базой 17 м и длиной 24 м, в качестве расчетной - кривая радиусом 350 м. Для него геометрический вынос равен 105 мм.
При погрузке негабаритного груза на одиночную платформу или транспортер с числом осей не более шести разности выносов определяются следующим образом[2]:
- Для наружных сечений:
- Для внутренних сечений:
где - расстояние от рассматриваемого внутреннего сечения до направляющего сечения, м;

- расстояние от рассматриваемого наружного сечения до направляющего сечения, м;
- база вагона, м;
- дополнительное смещение, мм, концевых сечений груза вследствие перекоса вагона в рельсовой колее с учетом норм содержания пути и подвижного состава, которое вычисляется по формуле:
- Для вагонов на специальных тележках:
- Для вагонов на тележках ЦНИИ-Х3: .
где - база вагона, м; - длина груза, м.
Учитываются только положительные значения .
Отрицательные значения выносов при определении негабаритности не учитываются.
На некоторых железных дорогах (Восточно-Сибирская, Дальневосточная, железные дороги Эстонии) имеются кривые радиусом менее 350 м. Для этих участков определяется местная расчетная негабаритность[3].
Индекс негабаритности
Каждому негабаритному грузу присваивается пятизначный индекс. Обозначения:
| 1-й знак | всегда буква H (негабаритность) |
| 2-й знак | степень нижней негабаритности, может принимать значения от 1 до 6 |
| 3-й знак | степень боковой негабаритности, может принимать значения от 1 до 6 |
| 4-й знак | степень верхней негабаритности, может принимать значения от 1 до 3 |
| 5-й знак | вертикальная сверхнегабаритность (груз выходит за установленные пределы негабаритности), имеет значение 8 |
Отсутствие негабаритности в любой зоне, в том числе и отсутствие вертикальной сверхнегабаритности, отмечается цифрой «0» в соответствующем знаке индекса негабаритности.
Например: индекс негабаритности Н2030 означает негабаритность нижнюю 2-й степени, боковой негабаритности нет, верхняя негабаритность 3-й степени, вертикальной сверхнегабаритности нет.
Технические устройства
Контрольная рама
Перевозка сверхнегабаритных грузов, а также негабаритных грузов шестой степени боковой и нижней негабаритности осуществляется с применением контрольной рамы, которую грузоотправитель ставит на крытом вагоне или полувагоне. Размеры контрольной рамы должны соответствовать максимальным размерам груза с учётом смещения его в кривых. Поезд сопровождается опытным работником дистанции пути, который ведёт наблюдение за прохождением контрольной рамы.
Габаритные ворота
Габаритные ворота устанавливают в месте массовой погрузки на открытый подвижной состав. Ворота представляют собой раму, внутри которой по очертанию габарита погрузки шарнирно укреплены планки. Если открытый подвижной состав с грузом пройдёт ворота, не касаясь планок, то габарит не нарушен. Изменение положения планки укажет на место негабаритности. Таким образом внутренние очертания габаритных ворот ограничивают допустимые предельные размеры провозимых через них грузов.
На электрифицированных участках габаритные ворота высотой до 4,5 метров располагают по обеим сторонам пересечения с автомобильной дорогой (переезда) для предупреждения прикосновения контактного провода к перевозимым через переезд грузам. Путь, на котором устанавливают ворота, должен быть прямым, находиться на горизонтальной площадке; переезд — хорошо виден.
Электронные габаритные ворота состоят из инфракрасных датчиков, формирующих допустимые границы габарита погрузки и передающих данные о нарушении границ на рабочее место оператора пункта коммерческого осмотра.
Перевозка негабаритных грузов
Для перевозки грузов, выходящих за габарит погрузки, могут быть предприняты следующие меры[3]:
- Ограничение встречного движения;
- Отвод контактной сети;
- Снижение скорости подвижного состава;
- Устранение препятствий.
Для снижения степени негабаритности грузов возможно использовать специальный подвижной состав. Так, верхнюю негабаритность и вертикальную сверхнегабаритность можно снизить, используя площадочный транспортер (транспортер с пониженной погрузочной площадкой)[4]. Существуют специальные платформы для перевозки широкоформатного листового проката в диагональном положении[5].
См. также
Примечания
- ↑ Технические условия размещения и крепления грузов (Приложение 3 к соглашению о международном грузовом сообщении (СМГС) от 01.07.2015) (1 июля 2015). Дата обращения: 5 сентября 2015. Архивировано 2 сентября 2016 года.
- ↑ Инструкция по перевозке негабаритных и тяжеловесных грузов на железных дорогах государств-участников СНГ, Латвийской Республики, Литовской Республики, Эстонской Республики / Мошек Л. М.. — М.: Желдоркнига, 2001. — С. 94-95. — 192 с.
- 1 2 Инструкция по перевозке негабаритных и тяжеловесных грузов на железных дорогах государств-участников СНГ, Латвийской Республики, Литовской Республики, Эстонской Республики / Мошек Л. М.. — М.: Желдоркнига, 2001. — 192 с.
- ↑ Площадочные транспортеры. Белорусская железная дорога. Дата обращения: 5 сентября 2015. Архивировано 24 сентября 2015 года.
- ↑ Вагон-платформа для широкоформатного листового проката модель 13-4107. Днепровагонмаш. Дата обращения: 5 сентября 2015. Архивировано 25 июля 2017 года.
Литература
- Габарит // Энциклопедический словарь Брокгауза и Ефрона : в 86 т. (82 т. и 4 доп.). — СПб., 1890—1907.
- Технические условия размещения и крепления грузов (Приложение 3 к соглашению о международном грузовом сообщении (СМГС) от 01.07.2015)
- Инструкция по перевозке негабаритных и тяжеловесных грузов на железных дорогах государств-участников СНГ, Латвийской Республики, Литовской Республики, Эстонской Республики — М.: Желдоркнига, 2001. — 192 с.
Ссылки
- Классификация негабаритных грузов // САМАРСКАЯ ГОСУДАРСТВЕННАЯ АКАДЕМИЯ ПУТЕЙ СООБЩЕНИЯ 2002