Заземление

Металлический стержень заземления (слева) с присоединённым зелёно-жёлтым проводом

Заземление — преднамеренное электрическое соединение какой-либо точки сети, электроустановки или оборудования с заземляющим устройством[1]. В электротехнике при помощи заземления добиваются защиты от опасного действия электрического тока путём снижения напряжения прикосновения до безопасного для человека и животных значения. Также заземление применяется для использования земли в качестве проводника тока (например, в проводной электросвязи). Производится с помощью заземлителя, обеспечивающего непосредственный контакт с землёй, и заземляющего проводника.

Терминология

Редакция определения терминов[2], в основном, близка к ГОСТ Р 57190[3], в скобках даются идентификаторы терминов по Международному электротехническому словарю[4][5]. Для общеупотребительных терминов из других источников, указывается источник.

  • Тип заземления системы — комплексная характеристика системы распределения электроэнергии в целом (источников питания, линий электропередач, электрооборудования, способы заземления открытых проводящих частей источников питания, линий электропередач, электроустановки или электрооборудования)[6].
  • Глухозаземлённая нейтраль — нейтраль трансформатора или генератора, присоединённая непосредственно к заземляющему устройству. Глухозаземлённым может быть также вывод источника однофазного переменного тока или полюс источника постоянного тока в двухпроводных сетях, а также средняя точка в трёхпроводных сетях постоянного тока (195-04-06 MOD).
  • Изолированная нейтраль — нейтраль трансформатора или генератора, неприсоединённая к заземляющему устройству или присоединённая к нему через большое сопротивление приборов сигнализации, измерения, защиты и других аналогичных им устройств (195-04-07 MOD).
  • Заземляющее устройство — совокупность заземлителя и заземляющих проводников (195-02-20).
  • Заземлитель — проводящая часть или совокупность соединённых между собой проводящих частей, находящихся в электрическом контакте с землёй непосредственно или через промежуточную проводящую среду (195-02-01).
    • Искусственный заземлитель — заземлитель, специально выполняемый для целей заземления.
    • Естественный заземлитель — сторонняя проводящая часть, находящаяся в электрическом контакте с землёй непосредственно или через промежуточную проводящую среду, используемая для целей заземления.
  • Контур заземления — Замкнутый горизонтальный заземлитель.
    • Заземляющий контур — Заземляющее устройство (устаревшее)[7].
    • Контур (Контурное заземление) — Защитное заземление, в котором напряжение прикосновения внутри контура не выходит за пределы допустимой величины благодаря надлежаще выбранному расположению электродов (устаревшее)[8].
  • Заземляющий проводник — проводник, соединяющий заземляемую часть (точку) с заземлителем (195-02-11).
  • Защитный проводник (PE) — проводник, предназначенный для целей электробезопасности (195-02-09).
  • Защитный заземляющий проводник — защитный проводник, предназначенный для защитного заземления (195-02-11).
  • Защитный проводник уравнивания потенциалов — защитный проводник, предназначенный для защитного уравнивания потенциалов (195-02-10).
  • Нулевой защитный проводник (PE) — защитный проводник в электроустановках до 1 кВ, предназначенный для присоединения открытых проводящих частей к глухозаземлённой нейтрали источника питания.
  • Нулевой рабочий (нейтральный) проводник (N) — проводник в электроустановках до 1 кВ, предназначенный для питания электроприёмников и соединённый с глухозаземлённой нейтралью генератора или трансформатора в сетях трёхфазного тока, с глухозаземлённым выводом источника однофазного тока, с глухозаземлённой точкой источника в сетях постоянного тока (195-02-06).
  • Совмещённые нулевой защитный и нулевой рабочий проводники (PEN) — проводники в электроустановках напряжением до 1 кВ, совмещающие функции нулевого защитного и нулевого рабочего проводников (195-02-12).
  • Главная заземляющая шина — шина, являющаяся частью заземляющего устройства электроустановки до 1 кВ и предназначенная для присоединения нескольких проводников с целью заземления и уравнивания потенциалов (195-02-33).
  • Проводящая часть — часть, которая может проводить электрический ток (195-01-06).
  • Токоведущая часть — проводящая часть электроустановки, находящаяся в процессе её работы под рабочим напряжением, в том числе нулевой рабочий проводник (но не PEN-проводник) (195-02-19).
  • Открытая проводящая часть — доступная прикосновению проводящая часть электроустановки, нормально не находящаяся под напряжением, но которая может оказаться под напряжением при повреждении основной изоляции (195-06-10).
  • Сторонняя проводящая часть — проводящая часть, не являющаяся частью электроустановки (195-06-11).
  • Зона нулевого потенциала (относительная земля) — часть земли, находящаяся вне зоны влияния какого-либо заземлителя, электрический потенциал которой принимается равным нулю (195-01-01).
  • Защитное заземление — заземление, выполняемое в целях электробезопасности (195-01-11).
  • Рабочее (функциональное) заземление — заземление точки или точек токоведущих частей электроустановки, выполняемое для обеспечения работы электроустановки (не в целях электробезопасности) (195-01-13).
  • Защитное зануление (в электроустановках напряжением до 1 кВ) — преднамеренное соединение открытых проводящих частей с глухозаземлённой нейтралью генератора или трансформатора в сетях трёхфазного тока, с глухозаземлённым выводом источника однофазного тока, с заземлённой точкой источника в сетях постоянного тока, выполняемое в целях электробезопасности.
  • Уравнивание потенциалов — электрическое соединение проводящих частей для достижения равенства их потенциалов. СУП - система уравнивания потенциалов (195-01-10).
  • Защитное уравнивание потенциалов — уравнивание потенциалов, выполняемое в целях электробезопасности (195-01-15).
  • Выравнивание потенциалов — снижение разности потенциалов (шагового напряжения) на поверхности земли или пола при помощи защитных проводников, проложенных в земле, в полу или на их поверхности и присоединённых к заземляющему устройству, или путём применения специальных покрытий земли.
  • Зона растекания (локальная земля) — зона земли между заземлителем и зоной нулевого потенциала (195-01-03).
  • Замыкание на землю — случайный электрический контакт между токоведущими частями, находящимися под напряжением, и землёй (195-04-14).
  • Прямое прикосновение — электрический контакт людей или животных с токоведущими частями, находящимися под напряжением (195-06-03).
  • Косвенное прикосновение — электрический контакт людей или животных с открытыми проводящими частями, оказавшимися под напряжением при повреждении изоляции (195-06-04).
  • Защита от прямого прикосновения (основная защита) — защита для предотвращения прикосновения к токоведущим частям, находящимся под напряжением[1][9] (195-06-01 MOD).
  • Защита при косвенном прикосновении (защита при повреждении) — защита от поражения электрическим током при прикосновении к открытым проводящим частям, оказавшимся под напряжением при повреждении изоляции[1][9] (195-06-02).
  • Защитное автоматическое отключение питания — автоматическое размыкание цепи одного или нескольких фазных проводников (и, если требуется, нулевого рабочего проводника), выполняемое в целях электробезопасности (195-04-10).
  • Разделительный трансформатор — трансформатор, первичная обмотка которого отделена от вторичных обмоток при помощи защитного электрического разделения цепей[1].
  • Безопасный разделительный трансформатор — разделительный трансформатор, предназначенный для питания цепей сверхнизким напряжением[1].
  • Защитный экран — проводящий экран, предназначенный для отделения электрической цепи и/или проводников от токоведущих частей других цепей (195-02-38).
  • Защитное электрическое разделение цепей — отделение одной электрической цепи от других цепей в электроустановках напряжением до 1 кВ с помощью (195-06-19):
    • двойной изоляции;
    • основной изоляции и защитного экрана;
    • усиленной изоляции.
  • Основная изоляция — изоляция токоведущих частей, обеспечивающая в том числе защиту от прямого прикосновения (195-06-06).
  • Дополнительная изоляция — независимая изоляция в электроустановках напряжением до 1 кВ, выполняемая дополнительно к основной изоляции для защиты при косвенном прикосновении (195-06-07).
  • Двойная изоляция — изоляция в электроустановках напряжением до 1 кВ, состоящая из основной и дополнительной изоляций (195-06-08).
  • Усиленная изоляция — изоляция в электроустановках напряжением до 1 кВ, обеспечивающая степень защиты от поражения электрическим током, равноценную двойной изоляции (195-06-09).
  • Непроводящие (изолирующие) помещения, зоны, площадки — помещения, зоны, площадки, в которых (на которых) защита при косвенном прикосновении обеспечивается высоким сопротивлением пола и стен и в которых отсутствуют заземлённые проводящие части[1].
  • Коэффициент замыкания на землю в трёхфазной электрической сети — отношение разности потенциалов между неповреждённой фазой и землёй в точке замыкания на землю другой или двух других фаз к разности потенциалов между фазой и землёй в этой точке до замыкания (195-05-14).
  • Напряжение на заземляющем устройстве — напряжение, возникающее при стекании тока с заземлителя в землю между точкой ввода тока в заземлитель и зоной нулевого потенциала.
  • Напряжение при повреждении (изоляции) — напряжение, возникающее при повреждении изоляции, между данной точкой повреждения и зоной нулевого потенциала (826-11-02).
  • Напряжение прикосновения — напряжение между двумя проводящими частями или между проводящей частью и землёй при одновременном прикосновении к ним человека или животного (195-05-11).
  • Ожидаемое напряжение прикосновения — напряжение между одновременно доступными прикосновению проводящими частями, когда человек или животное их не касается (195-05-09).
  • Напряжение шага (шаговое напряжение) — напряжение между двумя точками на поверхности земли, на расстоянии 1 м одна от другой, которое принимается равным длине шага человека (195-05-12).
  • Сверхнизкое (малое) напряжение (СНН) — напряжение, не превышающее 50 В переменного и 120 В постоянного тока (826-12-30 MOD).
  • Сопротивление заземляющего устройства — отношение напряжения на заземляющем устройстве к току, стекающему с заземлителя в землю (195-01-18 MOD).
  • Эквивалентное удельное сопротивление земли с неоднородной структурой — удельное электрическое сопротивление земли с однородной структурой, в которой сопротивление заземляющего устройства имеет то же значение, что и в земле с неоднородной структурой.

Термин «земля», используемый в статье, следует понимать как земля в зоне растекания.

Термин «удельное сопротивление», используемый в статье для земли с неоднородной структурой, следует понимать как эквивалентное удельное сопротивление.

Термин «повреждение изоляции» следует понимать как единственное повреждение изоляции (903-01-15).

Термин «автоматическое отключение питания» следует понимать как защитное автоматическое отключение питания.

Термин «уравнивание потенциалов», используемый в статье, следует понимать как защитное уравнивание потенциалов.

Обозначения

Обозначения

Заземление
Заземление микроэлектронных (сигнальных) схем
Заземление на «корпус»
  • Проводники защитного заземления во всех электроустановках, а также нулевые защитные проводники в электроустановках напряжением до 1 кВ с глухозаземлённой нейтралью, в том числе шины, должны иметь буквенное обозначение «PE» (англ. Protective Earthing) и цветовое обозначение чередующимися продольными или поперечными полосами одинаковой ширины (для шин от 15 до 100 мм) жёлтого и зелёного цветов.
  • Нулевые рабочие (нейтральные) проводники обозначаются буквой «N» и голубым цветом.
  • Совмещённые нулевые защитные и нулевые рабочие проводники должны иметь буквенное обозначение «PEN» и цветовое обозначение: голубой цвет по всей длине и жёлто-зелёные полосы на концах.[10]
  • В компьютерном тексте используется символ (номер в Юникоде U+23DA, HTML-код ⏚)

Устройство заземления

В России требования к заземлению и его устройство регламентируются Правилами устройства электроустановок (ПУЭ).

Заземление в электротехнике подразделяют на естественное и искусственное.

Естественное заземление

К естественному заземлению принято относить те конструкции, строение которых предусматривает постоянное нахождение в земле. Однако, поскольку их сопротивление ничем не регулируется и к значению их сопротивления не предъявляется никаких требований, конструкции естественного заземления нельзя использовать в качестве заземления электроустановки. К естественным заземлителям относят, например, железобетонный фундамент здания.

Искусственное заземление

Заземление участка контактной сети при проведении ремонтных работ

Искусственное заземление — это преднамеренное электрическое соединение какой-либо точки электрической сети, электроустановки или оборудования с заземляющим устройством.

Заземляющее устройство (ЗУ) состоит из заземлителя (проводящей части или совокупности соединённых между собой проводящих частей, находящихся в электрическом контакте с землёй непосредственно или через промежуточную проводящую среду) и заземляющего проводника, соединяющего заземляемую часть (точку) с заземлителем. Заземлитель может быть простым металлическим стержнем (чаще всего стальным, реже медным) или сложным комплексом элементов специальной формы.

Качество заземления определяется значением сопротивления заземления / сопротивления растеканию тока (чем ниже, тем лучше), которое можно снизить, увеличивая площадь заземляющих электродов и уменьшая удельное электрическое сопротивление грунта: увеличивая количество заземляющих электродов и / или их глубину; повышая концентрацию солей в грунте, нагревая его и т. д.

Электрическое сопротивление заземляющего устройства различно для разных условий и определяется / нормируется требованиями ПУЭ и соответствующих стандартов.

Разновидности систем искусственного заземления

Типы систем заземления электрических сетей

Электроустановки в отношении мер электробезопасности разделяются на:

  • электроустановки напряжением выше 1 кВ в сетях с глухозаземлённой или эффективно заземлённой нейтралью;
  • электроустановки напряжением выше 1 кВ в сетях с изолированной или заземлённой через дугогасящий реактор или резистор нейтралью;
  • электроустановки напряжением до 1 кВ в сетях с глухозаземлённой нейтралью;
  • электроустановки напряжением до 1 кВ в сетях с изолированной нейтралью.

В зависимости от технических особенностей электроустановки и снабжающих электросетей, её эксплуатация может требовать различных систем заземления. Как правило, перед проектированием электроустановки, сбытовая организация выдаёт перечень технических условий, в которых оговаривается используемая система заземления.

Классификация типов систем заземления приводится в качестве основной из характеристик питающей электрической сети. ГОСТ Р 50571.2-94 «Электроустановки зданий. Часть 3. Основные характеристики» регламентирует следующие системы заземления: TN-C, TN-S, TN-C-S, TT, IT.

Для электроустановок напряжением до 1 кВ приняты следующие обозначения:

  • система TN — система, в которой нейтраль источника питания глухо заземлена, а открытые проводящие части электроустановки присоединены к глухозаземлённой нейтрали источника посредством нулевых защитных проводников;
  • система TN-С — система TN, в которой нулевой защитный и нулевой рабочий проводники совмещены в одном проводнике на всём её протяжении;
  • система TN-S — система TN, в которой нулевой защитный и нулевой рабочий проводники разделены на всём её протяжении;
  • система TN-C-S — система TN, в которой функции нулевого защитного и нулевого рабочего проводников совмещены в одном проводнике в какой-то её части, начиная от источника питания;
  • система IT — система, в которой нейтраль источника питания изолирована от земли или заземлена через приборы или устройства, имеющие большое сопротивление, а открытые проводящие части электроустановки заземлены;
  • система ТТ — система, в которой нейтраль источника питания глухо заземлена, а открытые проводящие части электроустановки заземлены при помощи заземляющего устройства, электрически независимого от глухозаземлённой нейтрали источника.
Первая буква — состояние нейтрали источника питания относительно земли
  • Т — заземлённая нейтраль (лат. terra);
  • I — изолированная нейтраль (англ. isolation).
Вторая буква — состояние открытых проводящих частей относительно земли
  • Т — открытые проводящие части заземлены, независимо от отношения к земле нейтрали источника питания или какой-либо точки питающей сети;
  • N — открытые проводящие части присоединены к глухозаземлённой нейтрали источника питания.
Последующие (после N) буквы — совмещение в одном проводнике или разделение функций нулевого рабочего и нулевого защитного проводников
  • S — нулевой рабочий (N) и нулевой защитный (PE) проводники разделены (англ. separated);
  • С — функции нулевого защитного и нулевого рабочего проводников совмещены в одном проводнике (PEN-проводник) (англ. combined);
  • N — нулевой рабочий (нейтральный) проводник; (англ. neutral)
  • PE — защитный проводник (заземляющий проводник, нулевой защитный проводник, защитный проводник системы уравнивания потенциалов)(англ.  Protective Earth)
  • PEN — совмещённый нулевой защитный и нулевой рабочий проводники (англ.  Protective Earth and Neutral).

Системы с глухозаземлённой нейтралью (TN-системы)

Системы с глухозаземлённой нейтралью принято называть TN-системами, так как данная аббревиатура происходит от фр. Terre-Neutre, что означает «земля-нейтраль».

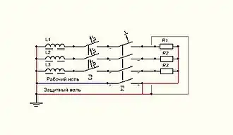
Принципиальная схема системы TN-S Принципиальная схема системы TN-C Принципиальная схема системы TN-C-S
Система TN-C

Система TN-C (фр. Terre-Neutre-Combiné) предложена немецким концерном AEG в 1913 году[11][12]. Рабочий ноль и PE-проводник (англ. Protection Earth) в этой системе совмещены в один провод. Самым большим недостатком была возможность появления линейного напряжения на корпусах электроустановок при аварийном обрыве нуля. Несмотря на это, данная система всё ещё встречается в постройках стран бывшего СССР. Из современных электроустановок, такая система встречается только в уличном освещении из соображений экономии и пониженного риска.

Система TN-S

Система TN-S (фр. Terre-Neutre-Séparé) была разработана на замену условно опасной системы TN-C в 1930-х годах. Рабочий и защитный ноль разделялись прямо на подстанции, а заземлитель представлял собой довольно сложную конструкцию металлической арматуры. Таким образом, при обрыве рабочего нуля в середине линии, корпуса электроустановок не получали линейного напряжения. Позже такая система заземления позволила разработать дифференциальные автоматы и срабатывающие на утечку тока автоматы, способные почувствовать незначительный ток. Их работа основывается на правилах Кирхгофа, согласно которым текущий по рабочему нулю ток должен быть численно равным геометрической сумме токов в фазах.

Система TN-C-S

В системе TN-C-S трансформаторная подстанция имеет непосредственную связь токопроводящих частей с землёй и наглухо заземлённую нейтраль. Для обеспечения связи на участке трансформаторная подстанция — ввод в здание применяется совмещённый нулевой рабочий (N) и защитный проводник (PE), принимающий обозначение PEN. При вводе в здание он (PEN) разделяется на отдельный нулевой (N) и защитный проводник (PE).

  • Также можно наблюдать систему TN-C-S, где разделение нулей происходит в середине линии, однако, в случае обрыва нулевого провода до точки разделения, корпуса окажутся под линейным напряжением, что будет представлять угрозу для жизни при касании.
  • Достоинства: более простое устройство молниезащиты (невозможно появление пика напряжения между PE и N), возможность защиты от КЗ фазы на корпус прибора с помощью обыкновенных «автоматов».
  • Недостатки: крайне слабая защищённость от «отгорания нуля», то есть разрушения PEN по пути от КТП к точке разделения. В этом случае на шине PE со стороны потребителя появляется фазное напряжение, которое не может быть отключено никакой автоматикой (PE не подлежит отключению). Если внутри здания защитой от этого служит система уравнивания потенциалов (СУП) (под напряжением оказывается всё металлическое, и нет риска поражения током при прикосновении к 2 разным предметам), то на открытом воздухе никакой защиты от этого не существует вовсе.

В соответствии с ПУЭ является основной и рекомендуемой системой, но при этом ПУЭ требуют соблюдения ряда мер по недопущению разрушения PEN — механическую защиту PEN, а также повторных заземлений PEN воздушной линии по столбам через какое-то расстояние (не более 200 метров для районов с числом грозовых часов в году до 40, 100 метров для районов с числом грозовых часов в году более 40).

В случае, когда эти меры соблюсти невозможно, ПУЭ рекомендуют TT. Также ТТ рекомендуется для всех установок под открытым небом (сараи, веранды и т. д.)

В городских зданиях шиной PEN обычно является толстая металлическая рама, вертикально идущая через всё здание. Её практически невозможно разрушить, потому в городских зданиях применяется TN-C-S.

В сельской же местности в России на практике существует огромное количество воздушных линий без механической защиты PEN и повторных заземлений. Потому в сельской местности более популярна система TT.

В позднесоветской городской застройке как правило применялась TN-C-S с точкой деления на основе электрощита (PEN) рядом со счетчиком, при этом PE проводилась только для электроплиты.

В современной российской застройке применяется и «пятипроводка» с точкой деления в подвале, в стояках проходят уже независимые N и PE.

Система TT

В системе TT трансформаторная подстанция имеет непосредственную связь токоведущих частей с землёй. Все открытые проводящие части электроустановки здания имеют непосредственную связь с землёй через заземлитель, электрически независимый от заземлителя нейтрали трансформаторной подстанции.

  • Достоинства: высокая устойчивость к разрушению N по пути от ТП к потребителю. Это разрушение никак не влияет на PE.
  • Недостатки: требования более сложной молниезащиты (возможность появления пика между N и PE), а также невозможность для обычного автоматического выключателя отследить КЗ фазы на корпус прибора (и далее на PE). Это происходит из-за довольно заметного (30-40 Ом) сопротивления местного заземления.

В силу вышеперечисленного ПУЭ рекомендуют ТТ только как «дополнительную» систему (при условии, что подводящая линия не удовлетворяет требования TN-C-S по повторному заземлению и механической защите PEN), а также в установках на открытом воздухе, где есть риск одновременного соприкосновения с установкой и с физической землёй (или же физически заземлёнными металлическими элементами).

Тем не менее, ввиду низкого качества большинства воздушных линий в сельской местности России, система TT там крайне популярна.

ТТ требует обязательного применения УЗО. Обычно устанавливают вводное УЗО уставкой 300—100 мА, которое отслеживает КЗ между фазой и PE, а за ним — персональные УЗО для конкретных цепей на 30-10 мА для защиты людей от поражения током.

Молниезащитные устройства, такие, как ABB OVR, различаются по конструкции для систем TN-C-S и TT, в последних установлен газовый разрядник между N и PE и варисторы между N и фазами.

Системы с изолированной нейтралью
Система IT

В системе IT нейтраль источника питания изолирована от земли или заземлена через приборы или устройства, имеющие большое сопротивление, а открытые проводящие части заземлены. Ток утечки на корпус или на землю в такой системе будет низким и не повлияет на условия работы присоединённого оборудования.

Система IT применяется, как правило, в электроустановках зданий и сооружений специального назначения, к которым предъявляются повышенные требования надёжности и безопасности, например, электроустановки подземных разработок и угольных шахт, при этом для создания безопасных условий эксплуатации для обслуживающего персонала (при появлении потенциала на электроустановке относительно земли) и исключения взрывов пыли и газов в обязательном порядке устанавливаются так называемые рудничные устройства защиты от токов утечки; система IT может также применяться в больницах для аварийного электроснабжения и освещения.

Изолированную нейтраль имеют портативные бензиновые и дизельные электростанции, что позволяет достаточно безопасно использовать подключенные к ним электроприборы без заземления, которое в «полевых» условиях сделать проблематично.

Ранее система с изолированной нейтралью была широко распространена и в системах энергоснабжения жилых домов, особенно деревянных неблагоустроенных, питающие линии к которым также подводились по деревянным опорам. В СССР бытовые электросети сети напряжения 127/220 В были только с изолированной нейтралью, хотя промышленные сети напряжения 220/380 В в те же годы уже имели заземленную нейтраль. Связано это было с тем, что организовать надежное заземление электрического щита и электроприборов в деревянном доме было проблематично, кроме того при наличии заземления возрастал риск возникновения пожара при замыкании фазового провода или возникновении утечки тока на заземлитель, который в системах с глухозаземленной нейтралью достигает сотен ампер. В системах и изолированной нейтралью этот ток минимален (миллиамперы - единицы ампер). Изолированная нейтраль в сочетании с отсутствием в деревянном неблагоустроенном доме естественно заземленных токопроводящих элементов (арматуры, водопровода, канализации) и сравнительно низком напряжении (127 В) дополнительно практически до минимума снижала риск поражения электрическим током при однофазном прикосновении. Эта особенность ранних бытовых сетей приводила к тому, что многими людьми электрический ток не воспринимался как источник повышенной опасности и работы по замене лампочек, ремонту розеток и выключателей часто проводились без отключения сети. Использование приборов класса защиты от поражения электрическим током 0 было также достаточно безопасно. В сети с изолированной нейтралью, при однофазном подключении, оба проводника равноправны и не подразделяются на фазовый и нейтральный. По этой причине в старых домах предохранители на вводе в квартиру ставились на обоих проводниках (в системах с заземленной нейтралью предохранитель на нейтральном проводе устанавливать недопустимо).

Сети с изолированной нейтралью сохранились и с началом распространения железобетонных благоустроенных домов, имеющих токопроводящие стены и заземленные трубопроводы. Этот фактор резко повысил риск поражения электрическим током в быту, так как в железобетонном доме неизбежно возникали неконтролируемые утечки тока на землю, из-за чего один из фазовых проводов мог оказаться непреднамеренно связанным с токопроводящими конструкциями здания и землёй. Но так как нейтраль изолирована — ток короткого замыкания при этом не возникал, факт утечки тока на здание и землю не обнаруживался и сеть могла работать в аварийном режиме продолжительное время. В такой ситуации случайное прикосновение к другому фазовому проводнику человеком (или к прибору с нарушенной изоляцией), находящимся на бетонном полу, в ванной или у раковины становилось чрезвычайно опасным, так как человек оказывался под линейным напряжением. Поэтому с началом массового строительства железобетонных домов («Хрущевок») бытовые сети стали строиться уже по системе с заземленной нейтралью: в 1960-х - 1980-х годах по системе TN-C, а с 1990-х по системе TN-C-S. В сельской местности, особенно на Севере, сети с изолированной нейтралью строились дольше - до 1980-х годов.

В местностях с очень высоким удельным электрическим сопротивлением грунта (пустынные районы, районы многолетней мерзлоты), где реализовать надежное заземление нейтрали чрезвычайно сложно также могут строится сети с изолированной нейтралью. Таких сетей много в Туркменистане и в Якутии. На арктических полярных станциях также применяется изолированная нейтраль. При этом в обязанности персонала дизель-генераторных установок входит наблюдение за током нулевой последовательности, который становится отличным от нуля при однофазном замыкании на землю.

Защитная функция заземления

Правильная организация заземления: PEN-проводник заземлён как в месте ответвления, так и в узле учёта

Защитные заземления предотвращают возможность попадания человека под напряжение (поражение током), что возможно в случае повреждения изоляции электрического оборудования или соприкосновения с оборванными проводами. Защитному заземлению подлежат все металлические наружные части и каркасы электротехнического оборудования.

Принцип защитного заземления

Защитное действие заземления основано на двух принципах:

  • Уменьшение до безопасного значения разности потенциалов между заземляемым проводящим предметом и другими проводящими предметами, имеющими естественное заземление.
  • Отвод тока утечки при контакте заземляемого проводящего предмета с фазным проводом. В правильно спроектированной системе появление тока утечки приводит к немедленному срабатыванию защитных устройств (устройств защитного отключения — УЗО).
  • В системах с глухозаземлённой нейтралью — инициирование срабатывания предохранителя при попадании фазного потенциала на заземлённую поверхность.

Таким образом, заземление наиболее эффективно только в комплексе с использованием устройств защитного отключения. В этом случае при большинстве нарушений изоляции потенциал на заземлённых предметах не превысит безопасных величин. Более того, неисправный участок сети будет отключён в течение очень короткого времени (десятые…сотые доли секунды — время срабатывания УЗО).

Работа заземления при неисправностях электрооборудования

Типичный случай неисправности электрооборудования — попадание фазного напряжения на металлический корпус прибора вследствие нарушения изоляции[13]. Современные электроприборы, имеющие импульсный источник вторичного электропитания, и снабжённые трёхполюсной вилкой, — такие как системный блок ПЭВМ, — при отсутствии заземления имеют опасный потенциал на корпусе, даже когда они полностью исправны.[14]) В зависимости от того, какие защитные мероприятия реализованы, возможны следующие варианты:

Описанные варианты
Корпус не заземлён, УЗО отсутствует (наиболее опасный вариант).
  • Корпус прибора будет находиться под фазным потенциалом и это никак не будет обнаружено. Прикосновение к такому неисправному прибору может быть смертельно опасным.
Корпус заземлён, УЗО отсутствует.
  • Если ток утечки по цепи фаза-корпус-заземлитель достаточно велик (превышает порог срабатывания предохранителя, защищающего эту цепь), то предохранитель сработает и отключит цепь. Наибольшее действующее напряжение (относительно земли) на заземлённом корпусе составит Umax=RG·IF, где RG − сопротивление заземлителя, IF − ток, при котором срабатывает предохранитель, защищающий эту цепь. Данный вариант недостаточно безопасен, так как при высоком сопротивлении заземлителя и больших номиналах предохранителей потенциал на заземлённом проводнике может достигать довольно значительных величин. Например, при сопротивлении заземлителя 4 Ом и предохранителе номиналом 25 А потенциал может достигать 100 вольт.
Корпус не заземлён, УЗО установлено.
  • Корпус прибора будет находиться под фазным потенциалом и это не будет обнаружено до тех пор, пока не возникнет путь для прохождения тока утечки. В худшем случае утечка произойдёт через тело человека, коснувшегося одновременно неисправного прибора и предмета, имеющего естественное заземление. УЗО отключает участок сети с неисправностью, как только возникла утечка. Человек получит лишь кратковременный удар током (0,01…0,3 с — время срабатывания УЗО), как правило, не причиняющий вреда здоровью.
Корпус заземлён, УЗО установлено.
  • Это наиболее безопасный вариант, поскольку два защитных мероприятия взаимно дополняют друг друга. При попадании фазного напряжения на заземлённый проводник ток течёт с фазного проводника через нарушение изоляции в заземляющий проводник и далее в землю. УЗО немедленно обнаруживает эту утечку, даже если та весьма незначительна (обычно порог чувствительности УЗО составляет 10 мА или 30 мА), и быстро (0,01…0,3 с) отключает участок сети с неисправностью. Помимо этого, если ток утечки достаточно велик (превышает порог срабатывания предохранителя, защищающего эту цепь), то может также сработать и предохранитель. Какое именно защитное устройство (УЗО или предохранитель) отключит цепь — зависит от их быстродействия и тока утечки. Возможно также срабатывание обоих устройств. Важно также, что только в этом случае, отказ какого-либо одного из двух защитных устройств не приведёт к полной неработоспособности системы защиты.

Ошибки в устройстве заземления

Неправильные PE-проводники

Иногда в качестве заземлителя используют водопроводные трубы или трубы отопления, однако их нельзя использовать в качестве заземляющего проводника[15]. В водопроводе могут быть непроводящие вставки (например, пластиковые трубы), электрический контакт между трубами может быть нарушен из-за коррозии, и, наконец, часть трубопровода может быть разобрана для ремонта. Также существует опасность поражения электрическим током при соприкосновении с токопроводящими частями сантехники.

«Чистая земля»

Популярным является поверье о том, что компьютерные и телефонные установки требуют заземления, отдельного от общего заземления всего здания.

Такое мнение справедливо лишь в случае требования и/или организации функционального заземления, необходимого для правильной работы оборудования.
При организации защитного заземления, такое поверье будет совершенно неверно, ибо ЗУ имеет ненулевое сопротивление, и, в случае КЗ (и даже небольшой, не обнаруживаемой автоматикой утечки) фаза  PE на одном из устройств, по ЗУ начинает течь ток и его потенциал растёт из-за сопротивления ЗУ. В случае наличия 2 и более независимых ЗУ это приведёт к появлению разности потенциалов между PE различных электроустановок, что может создать риск поражения людей током, а также заблокировать (или даже разрушить) интерфейсные устройства без гальванической развязки, которые соединяют 2 части системы, заземлённые от независимых ЗУ.

Правильным решением является организация системы уравнивания потенциалов.

Вышеперечисленное относится также и к "кустарным" реализациям, к примеру иногда применяемому в сельской местности методу заземления одного прибора путём соединения его с закопанным металлическим контактом (например, ведром).

Объединение рабочего нуля и PE-проводника

Другим часто встречающимся нарушением является объединение рабочего нуля и PE-проводника за точкой их разделения (если она есть) по ходу распределения энергии.[16] Такое нарушение может привести к появлению довольно значительных токов по PE-проводнику (который не должен быть токонесущим в нормальном состоянии), а также к ложным срабатываниям устройства защитного отключения (если оно установлено).

Неправильное разделение PEN-проводника

Крайне опасным является следующий способ «создания» PE-проводника: прямо в розетке определяется рабочий нулевой проводник и ставится перемычка между ним и PE-контактом розетки. Таким образом, PE-проводник нагрузки, подключённой к этой розетке, оказывается соединённым с рабочим нулём.

Опасность данной схемы в том, что на заземляющем контакте розетки, а следовательно, и на корпусе подключённого прибора появится фазный потенциал, при выполнении любого из следующих условий:

  • Разрыв (рассоединение, перегорание и т. д.) нулевого проводника на участке между розеткой и щитом (а также далее, вплоть до точки заземления PEN-проводника);
  • Перестановка местами фазного и нулевого (фазный вместо нулевого и наоборот) проводников, идущих к этой розетке.

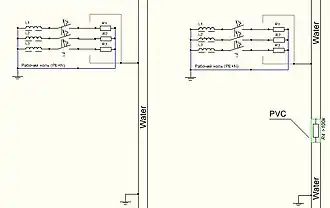
Система уравнивания потенциалов (СУП)

Схема системы уравнивания потенциалов в системе TN-C-S

Так как ЗУ имеет сопротивление, и в случае протекания через него тока оказывается под напряжением, его одного недостаточно для защиты людей от поражения током.

Правильная защита создается путём организации системы уравнивания потенциалов (СУП), то есть электрического соединения PE проводки и всех доступных для прикосновения металлических частей здания (в первую очередь водопроводы и отопительные трубопроводы).

В этом случае, даже если ЗУ окажется под напряжением, под ним же оказывается всё металлическое и доступное для прикосновения, что снижает риск поражения током.

В кирпичных домах советского периода, как правило, СУП не организовывалась, в панельных же (1970-е и позже) — организовывалась путём соединения в подвале дома рамы электрощитков (PEN) и водопроводов.

В местностях с высоким удельным электрическим сопротивлением грунта (пустыни, зоны многолетней мерзлоты) уравнивание потенциалов приходится выполнять не только внутри здания, но и между зданиями. Например, в Норильске здания объединены общим контуром заземления, вокруг каждого здания в грунте находятся штыри выравнивания потенциалов. При этом общий контур заземления зданий соединен с контуром заземления ТЭЦ-1, образуя по факту «искусственную землю». Однако главные заземлители все таки погружены в непромерзающие водоемы (озеро Долгое и другие), что обеспечивает электрическую связь с «естественной землёй». Похожая система существует и ряде городов Средней Азии. Но, например, в Аркалыке, где водоёмов нет, «искусственная земля» получается изолированной.

Примечания

  1. 1 2 3 4 5 6 Глава 1.7 ЗАЗЕМЛЕНИЕ И ЗАЩИТНЫЕ МЕРЫ ЭЛЕКТРОБЕЗОПАСНОСТИ. Область применения. Термины и определения. Правила устройства электроустановок (ПУЭ) Издание седьмое. Утверждены Приказом Минэнерго России от 08.07.2002 № 204
  2. Каждый термин в разделе имеет якорь для ссылки по названию термина или по идентификатору IEV.
  3. ГОСТ Р 57190-2016 Заземлители и заземляющие устройства различного назначения. Термины и определения. Архивировано 3 декабря 2020 года.
  4. ГОСТ Р МЭК 60050-195-2005 Заземление и защита от поражения электрическим током. Термины и определения. Архивировано 24 июля 2021 года.
  5. Указывается только один идентификатор IEV, в основном, по части 195 - Заземление и защита от поражения электрическим током. В других частях: 601 - Электростанции, 826 - Электрические установки и др., обычно есть идентичные или модифицированные термины.
  6. ГОСТ 30331.1-2013 (IEC 60364-1:2005) Электроустановки низковольтные. Часть 1. Основные положения, оценка общих характеристик, термины и определения. Архивировано 19 октября 2020 года.
  7. Руководство по проектированию, строительству и эксплуатации заземлений в установках проводной связи и радиотрансляционных узлов. — Москва: Связь, 1971.
  8. Центральный Электротехнический Совет (ЦЭС). Пояснительная записка к проекту правил расчета и устройства заземления в установках переменного тока высокого напряжения (свыше 1000 V) // Электротехника. — 1933. — Ноябрь (№ 18).
  9. 1 2 ГОСТ Р 50571.3-2009 (МЭК 60364-4-41:2005) Электроустановки низковольтные. Часть 4-41. Требования для обеспечения безопасности. Защита от поражения электрическим током. Архивировано 14 июня 2021 года.
  10. П. 1.1.29 ПУЭ.
  11. Chronik der Elektrotechnik (нем.). Дата обращения: 2 февраля 2021. Архивировано 28 февраля 2021 года.
  12. Betr. Ausführung von Erdung usw (нем.) // ETZ. Elektrotechnische Zeitschrift Berlin. — 1914. Bd. 35. S. 102—105, 132-134, 166-168, 400-402. ISSN 0170-1711.
  13. При других типах неисправностей заземление менее эффективно, поэтому они здесь не рассматриваются
  14. В схеме импульсного источника вторичного электропитания присутствуют входные проходные или обычные конденсаторы, включённые как между питающими проводниками, так и (в случае наличия металлического корпуса и трёхполюсной вилки) между каждым питающим проводником и корпусом прибора, в этом случае они представляют делитель напряжения, сообщающий корпусу потенциал, примерно равный половине напряжения питания. Этот потенциал обычно присутствует, даже когда прибор выключен имеющимися у него средствами. В наличии потенциала на корпусе можно убедиться с помощью неонового пробника.
  15. Пп. 1.7.122 и 1.7.123 ПУЭ.
  16. П. 1.7.135 ПУЭ.

Литература

  • Кораблев В. П. Электробезопасность в вопросах и ответах. - М., Московский рабочий, 1988. - 301 c.
  • Введение в энерготехнику / Эндель Ристхейн. — Таллин : Elektriajam, 2008.  Глава 4.
  • IEC 61140:2016. Protection against electric shock. Common aspects for installation and equipment. Edition 4.0. – Geneva: IEC, 2016-01.
  • ГОСТ IEC 61140–2012. Защита от поражения электрическим током. Общие положения безопасности установок и оборудования.
  • Харечко Ю.В. Основы заземления электрических сетей и электроустановок зданий. 6-е изд., перераб. и доп. – М.: ПТФ МИЭЭ, 2012. – 304 с.
  • IEC 60364-5-54:2011. Low-voltage electrical installations. Part 5-54: Selection and erection of electrical equipment. Earthing arrangements and protective conductors. Edition 3.0. – Geneva: IEC, 2011-03.
  • ГОСТ Р 50571.5.54–2013/ МЭК 60364-5-54:2011. Электроустановки низковольтные. Ч. 5-54. Выбор и монтаж электрооборудования. Заземляющие устройства, защитные проводники и защитные проводники уравнивания потенциалов.

Ссылки