Измерительный усилитель

Измери́тельный усили́тель, инструмента́льный усилитель, электрометри́ческий вычитатель[1][2] — разновидность дифференциального усилителя с улучшенными параметрами — с очень малым входным смещением, малым температурным дрейфом, малым собственным шумом, высоким коэффициентом усиления, регулируемым в широких пределах изменением сопротивления одного резистора, очень высоким коэффициентом ослабления синфазного сигнала, очень высоким входным сопротивлением и малым входным током.
Такие усилители применяются, когда требуются высокая точность и кратковременная и долговременная стабильность схемы.
Применяются в измерительной технике, обработке сигналов различных датчиков и других, используется в измерительном и тестирующем оборудовании.
Описание электрической схемы
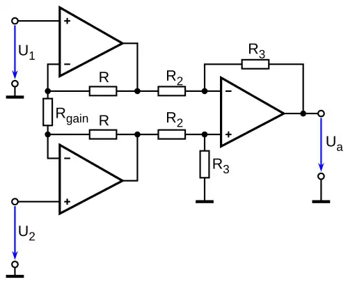
Классическая электрическая схема измерительного усилителя показана на рисунке. Измерительный усилитель представляет собой двухкаскадный усилитель. Для повышения входного сопротивления входной каскад строят на двух отдельных усилителях и представляет собой дифференциальный усилитель, выполненный на двух связанных через резистор неинвертирующих усилителях. Второй каскад — обычный дифференциальный инвертирующий усилитель с высоким подавлением синфазного сигнала[3]. Для подавления синфазного коэффициента передачи сопротивления верхних по схеме резисторов и нижних соответственно, должны быть равны с высокой точностью.
Буферные входные неинвертирующие усилители увеличивают входное сопротивление (импеданс) низкоимпедансного выходного дифференциального инвертирующего усилителя для дифференциального и для синфазного сигналов, так как сигнал подается непосредственно на вход входных операционных усилителей имеющих очень малые входные токи. Резистор — общий для обоих входных неинвертирующих усилителей, изменением его сопротивления изменяют общий коэффициент усиления инструментального усилителя.
Коэффициент усиления выходного дифференциального инвертирующего усилителя равен[1][4][5][6][7]:
дифференциальный коэффициент усиления напряжения всей схемы равен произведению коэффициентов усиления обоих каскадов:
Вывод коэффициента усиления инструментального усилителя
При этом анализе предполагается, что все операционные усилители идеальные, то есть с бесконечным коэффициентом усиления, нулевыми входными токами и нулевым напряжением входного смещения.
На выходе первого каскада на первом операционном усилителе (на рисунке слева сверху) выходное напряжение:
и на выходе второго операционного усилителя (слева снизу):
Эти выражения следуют из того, что за счет обратной связи и собственного бесконечно большого коэффициента усиления операционного усилителя напряжения на инвертирующих входах точно равны входным напряжениям на неинвертирующих входах а резисторы и образуют соответствующие делители напряжения.
Напряжение на неинвертирующем входе операционного усилителя второго каскада определяется делителем напряжения, состоящем из и и будет равно:
Напряжение на его инвертирующем входе также определяется делителем напряжения, выполненном на другой паре резисторов и :
Эти напряжения равны за счет действия обратной связи и собственного бесконечно большого коэффициента усиления операционного усилителя:
оттуда:
и наконец:
Окончательно имеем:
Инструментальный усилитель может быть построен из отдельных дискретных компонентов — операционных усилителей и прецизионных резисторов. Несколько производителей (Texas Instruments, National Semiconductor, Analog Devices, Linear Technology и Maxim Integrated Products) выпускают готовые интегральные схемы инструментальных усилителей, при производстве которых применяется лазерная подстройка номиналов резисторов[8][9][10].
См. также
Примечания
- 1 2 Титце У., Шенк К. Полупроводниковая схемотехника. Москва, «МИР», 1982. Стр.466, рис.25.3.
- ↑ Гутников В. С. Интегральная электроника в измерительных устройствах // 2-е изд., перераб. и доп.. — Л.: Энергоатомиздат, 1988. — С. 30.
- ↑ Instrumentation Amplifier. Дата обращения: 25 января 2006. Архивировано 3 ноября 2005 года.
- ↑ 3 Op Amp Instrumentation Amplifier. Дата обращения: 13 сентября 2009. Архивировано из оригинала 2 марта 2011 года.
- ↑ http://openbookproject.net//electricCircuits/Semi/SEMI_8.html#xtocid83189 Архивная копия от 27 октября 2009 на Wayback Machine The instrumentation amplifier
- ↑ Three is a Crowd for Instrumentation Amplifiers. Дата обращения: 13 сентября 2009. Архивировано 12 декабря 2009 года.
- ↑ 3 Разработка аппаратной части. 3.2 Инструментальный усилитель
- ↑ AD620. Дата обращения: 13 сентября 2009. Архивировано 1 января 2011 года.
- ↑ MAX4194. Дата обращения: 13 сентября 2009. Архивировано из оригинала 2 мая 2010 года.
- ↑ INA128. Дата обращения: 13 сентября 2009. Архивировано 5 августа 2011 года.