Конденсаторный контактор

Конденсаторный контактор — специализированный контактор двухступенчатого включения для коммутации конденсаторов в установках компенсации реактивной мощности (УКРМ).
Работа механических контактов на емкостную нагрузку
Работа механического контактора на емкостную нагрузку значительно отличается от работы на активную. Пусковые токи и разрушающее воздействие здесь в сотни раз больше. В момент подключения конденсаторов сопротивление конденсатора близко к нулю и контакты работают практически в режиме короткого замыкания. На время переходного периода (от 1 до 2 мс) возникают токи с высокой амплитудой и частотой (от 3 до 15 кГц). Амплитуда подобных токов, известных как «бросок зарядного тока», зависит от следующих факторов:
- индуктивность сети
- мощность трансформатора и напряжение короткого замыкания
- способ компенсации реактивной мощности

Значение пиковой амплитуды тока I max в момент включения зависит от фазы включения и степени разряда конденсатора после предыдущего включения:
- — включение разряженного конденсатора — Umax на контактах 510 Вольт (сеть 400 Вольт), Imax — 200 Inom
- — включение заряженного конденсатора — Umax на контактах 1020 Вольт (сеть 400 Вольт),Imax — 400 Inom
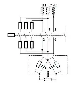
Принцип работы конденсаторного контактора
Для уменьшения пускового тока используются специальные конденсаторные контакторы двухступенчатого включения, снижающие пиковый бросок зарядного тока.
Это обеспечивается вспомогательными контактами предварительного замыкания — так называемыми «предконтактами», включеными последовательно с токоограничивающими резисторами.
Предконтакты с резисторами ограничивают зарядный ток в цепи «контактор—конденсатор» до безопасного уровня. Они замыкаются на 2 мсек раньше основных контактов. Последние обладают малым сопротивлением и подключаются в основном режиме работы контактора, после снижения тока через конденсатор до уровня, близкого к номинальному (менее 10 × Inom).
Использование конденсаторного контактора позволяет коммутировать конденсаторы до 5000 раз в год в соответствии со стандартом IEC 60831-1, а также 2 или 1 раз в 2 часа. Для более высокой частоты коммутации конденсаторов используются другие коммутационные устройства:
- Тирикон
- Тиристорный контактор для конденсаторов
Схема устройства

См. также
Литература
- Геворкян М.В. Современные компоненты компенсации реактивной мощности (для низковольтных сетей).Справочное издание - Москва: Издательский дом " Додэка-XXI ", 2003.- 64 с.