Логарифмический усилитель
Логарифми́ческий усили́тель (аббревиатуры: ЛУ — в русскоязычной литературе, в англоязычной литературе — Log amp) — вид аналоговых электронных усилителей, выходное напряжение которых пропорционально логарифму входного напряжения.
ЛУ часто называют логарифмическими преобразователями, так как он нелинейно (логарифмически) преобразует входной сигнал.
Наиболее важным применением логарифмических усилителей является сжатие динамического диапазона сигналов с широким динамическим диапазоном. Также ЛУ применяются для перемножения и деления аналоговых сигналов.
В случае, когда входные и выходные сигналы являются сигналами напряжения, передаточная характеристика ЛУ имеет следующий вид:
- где — выходное напряжение,
- — некоторый постоянный коэффициент, имеет размерность напряжения,
- — входное напряжение,
- — некоторое напряжение, при котором
В этой формуле непринципиально задание основания логарифма, так как логарифмические функции по любому основанию равны с точностью до постоянного множителя, в этой формуле постоянный множитель — коэффициент
Для однозначного определения передаточной характеристики ЛУ, заданной этой формулой, требуется задание двух параметров — и
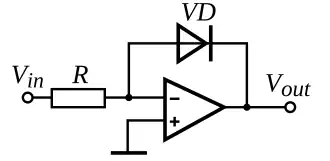
Логарифмический усилитель на операционном усилителе и диоде

В этом ЛУ используется экспоненциальная зависимость тока через полупроводниковый диод с p-n-переходом. Зависимость тока через диод в зависимости от напряжения на диоде из теории полупроводникового p-n-перехода выражается формулой:
- где — тепловой ток насыщения обратно смещённого p-n-перехода,
- — температурный потенциал.
Температурный потенциал выражается формулой:
- где Дж/К — постоянная Больцмана,
- — абсолютная температура,
- Кл — элементарный заряд.
При комнатной температуре (~300 K) температурный потенциал составляет ~25,9 мВ.
Так как в практических схемах напряжение на диоде в несколько раз превышает температурный потенциал, то и единицей в скобках в формуле для тока диода можно пренебречь, поэтому:
так как потенциал инвертирующего входа операционного усилителя (ОУ) за счёт действия отрицательной обратной связи равен нулю, и ток диода равен входному току, так как ток инвертирующего входа равен нулю, эти два допущения справедливы для идеального ОУ, реальные ОУ достаточно хорошо приближаются к идеальному ОУ, то есть выходное напряжение ЛУ, схема которого приведена на рисунке 1 будет:
Знак «минус» в формуле указывает, что этот ЛУ инвертирует входной сигнал.
Так как в формулу передаточной характеристики входят два параметра, зависящие от температуры диода - — нарастает пропорционально абсолютной температуре и — для кремниевых диодов приблизительно удваивается при увеличении температуры на 15 К, изменения температуры вызывают ошибку преобразования. В практических схемах температурный дрейф компенсируют различными схемотехническими приёмами, усложняя схему.
Трансдиодная конфигурация

Недостаток структуры с диодом — сравнительно узкий динамический диапазон, не более 4 декад. Расширить его можно применив в обратной связи ОУ биполярный транзистор. Зависимость тока коллектора маломощных кремниевых транзисторов от напряжения на коллекторном переходе подчиняется экспоненциальному закону в диапазоне токов коллектора от единиц пикоампер до нескольких миллиампер, что позволяет строить ЛУ с динамическим диапазоном в 5-6 декад.
Схема такого ЛУ приведена на рисунке 2. Для этой схемы выполняются соотношения:
- где — напряжение база-эмиттер транзистора,
- — обратный тепловой ток насыщения перехода эмиттер-база,
откуда:
Из-за виртуальной земли на инвертирующем входе ОУ:
и окончательно:
Передаточная характеристика этой структуры также зависит от температуры, и для применений, где необходима повышенная точность, требуется схемотехническая компенсация температурного дрейфа.
Применение
Для измерения мощности передатчиков сигнала в системах GSM, CDMA, TDMA, а также индикации принимаемого сигнала (RSSI).
В измерительных приборах, например, в анализаторах спектра электрических сигналов.
Для перемножения и деления аналоговых величин, представленных током или напряжением. Для этого используются тождества: и , при этом операции умножения и деления заменяются операциями сложения и вычитания легко выполняемыми аналоговыми сумматорами на ОУ. Преобразование полученного логарифма произведения или частного аналоговых сигналов в этом случае производится экспоненцирующим (потенцирующим) преобразователем.
Литература
- Использование логарифмических усилителей для точного измерения мощности, Самков И. Ю. — М.: Электронные Компоненты, № 3 2008.
- Основы теории демодулирующих логарифмических усилителей, Самков И. Ю. — М.: Электронные Компоненты, № 3 2009.
- Микросхемы логарифмических усилителей традиционной схемотехники, Михалев П. — М.: Компоненты и технологии, № 8 2007.