Пертит (минерал)

Пертит 
Мегаскопический антипертит
Мегаскопический антипертит
Физические свойства
Блеск Матовый, реже стеклянный
Прозрачность Обычно отсутствует, реже просвечивание
Твёрдость 5—6
Пертитовый полевой шпат из Дэн Патч пегматит, Блэк-Хилс, Южная Дакота
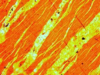
Пертит, изображение части зерна полевого шпата в тонком разрезе, рассматриваемое петрографическим микроскопом и красной пластиной первого порядка.

Пертит — калиевый полевой шпат (ортоклаз или микроклин) c закономерно ориентированными, так называемыми пертитовыми, вростками альбита или другого кислого плагиоклаза.

Пo крупности вростков различают пертиты (макропертиты), микропертиты (видимые под микроскопом) и криптопертиты (устанавливаемые обычно рентгенографически); по форме вростков — шнуровидные, плёночные, прожилковые, пятнистые и др.; по происхождению — пертиты распада (веретеновидные или чётковидные) и замещения (струйчатые или пятнистые). Первые возникают в результате распада смешанных кристаллов калинатрового полевого шпата при понижении температуры (или повышении давления), вторые образуются при альбитизации. Плагиоклазы c вростками калиевого полевого шпата называются антипертитами. Kоличественные, соотношения фаз в пертите сильно варьируются, но фаза KAlSi3O8 всегда преобладает. Пертиты широко распространены в глубинных изверженных породах — гранитах, сиенитах и др., a также в гранитных пегматитах. Пертитовое строение ювелирной разновидности калиевого полевого шпата — лунного камня (адуляра), — состоящего из тончайших параллельных пластинок полевых шпатов различного состава и (или) сингонии (моноклинных и триклинных), является причиной его красивой голубоватой иризации.

При мегаскопическом развитии текстура может состоять из отчётливых розовых и белых ламелей, представляющих собой растворённый белый альбит (NaAlSi3O8) в розовом микроклине. Переплетения в пертите имеют большое разнообразие форм. При достаточно медленном охлаждении щелочной полевой шпат может растворяться, образуя отдельные зёрна с близкими к поперечному составу альбитами и К-полевым шпатом. Самый крупный задокументированный одиночный кристалл пертита был найден в шахте Хьюго в Южной Дакоте и имел размеры около 10.7 м (35 футов) x 4.6 м (15 футов) x 1.8 м (5 футов 11 дюймов)[1].

Примечания

  1. P. C. Rickwood (1981). The largest crystals. American Mineralogist. 66: 885–907.

Литература