Слой обогащения
Слой обогаще́ния (также: слой аккумуляции [от англ. accumulation layer], обогащённый/аккумуляционный слой, или о́бласть обогащения/аккумуляции) — область в полупроводнике около его поверхности или стыка с другим материалом, концентрация основных носителей заряда в которой больше, чем в равновесном состоянии полупроводника. Типичная толщина этого слоя составляет несколько нанометров.
Определение по ГОСТ
Согласно ГОСТ 15133-77[1], обогащённый слой определяется как
слой полупроводника, в котором концентрация основных носителей заряда больше разности концентрации ионизованных доноров и акцепторов.
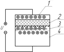
Структуры с обогащённым слоем

Чаще всего изучается обогащённый слой в МОП-структуре (МОП = Металл — Оксид — Полупроводник), формирующийся при приложении достаточно высокого прямого ("-" на металл в случае подложки p-типа, или "+" на металл для n-подложки, см. рис.) напряжения. Данный режим работы МОП-структуры называется режимом обогащения или аккумуляции.
Поскольку МОП-структура может являться составной частью важнейшего прибора твердотельной электроники — полевого транзистора, изучение её работы в различных условиях, в том числе в режиме аккумуляции, весьма актуально (хотя наиболее значим режим инверсии).
Кроме того, обогащённый слой может создаваться у гетерограниц в структурах из нескольких полупроводников с разными энергиями сродства к электрону и/или разной шириной запрещённой зоны.
Свойства обогащённого слоя
Обогащённый слой в полупроводнике n-типа формируется электронами, а в полупроводнике p-типа — дырками.
Толщина обогащённого слоя зависит от материала, концентрации примесных атомов и величины приложенного поля. Характерные значения составляют 2—5 нм. Типичные величины напряжённости поперечного электрического поля — 106—107 В/см, плотности носновных носителей лежат в диапазоне 1011—1013 см-2.
Движение носителей в перпендикулярном направлении квантуется. Распределение потенциала в обогащённом слое и вблизи него рассчитывается путём самосогласованного решения уравнений Шрёдингера и Пуассона. При этом оказывается, что максимум плотности заряда смещён от интерфейса примерно на 1 нм, а дно нижней подзоны может отстоять от минимума потенциальной энергии в приповерхностной яме на величину до 0.5 эВ. За счёт квантования снижается плотность состояний, по сравнению с трёхмерным случаем[2].
См. также
Примечания
- ↑ ГОСТ 15133-77 Приборы полупроводниковые. Термины и определения. Дата обращения: 29 сентября 2021. Архивировано 28 сентября 2021 года.
- ↑ Андо Т., Фаулер А, Стерн Ф. Электронные свойства двумерных систем. Пер. с англ. — М.: Мир, 1985. — 416 с.
Литература
- Грибников 3. С., Пудалов В. М. Инверсионный слой // Физическая энциклопедия : [в 5 т.] / Гл. ред. А. М. Прохоров. — М.: Советская энциклопедия, 1990. — Т. 2: Добротность — Магнитооптика. — 704 с. — 100 000 экз. — ISBN 5-85270-061-4.