ТДТ-40
| ТДТ-40 | |
|---|---|
| |
| Проект, г | 1954 |
| Конструктор | Иван Иосифович Дронг |
| Выпускался, гг. | 1956 - 1976 |
| Производитель | Минский завод, Онежский завод |
| Назначение | трелёвочный трактор |
| Тип движителя | гусеничный |
| Тяговый класс, тс | 2 |
| Полная масса, т | 6,5 |
| Расположение | |
| Двигатель | Дизельный |
| Основные размеры | |
| Длина, мм | 4500 |
| Ширина, мм | 1830 |
| Дорожный (агротехнический) просвет, мм | 540 |
| Двигатель | |
| Марка двигателя |
Д-40Т, Д-48Т (на ТДТ-40М) |
| Мощность, л.с. (кВт) | 40-45 |
| Трансмиссия | |
| Тип трансмиссии | механическая |
| Подвеска и управление | |
| Тип подвески | балансирно-рессорная |
| Модельный ряд | |
| Последующая модель | ТДТ-55 |
ТДТ-40 (трактор дизельный трелёвочный 40 л. с.) — советский трелёвочный трактор, производившийся с 1956 года на Минском тракторном заводе и с 1957 года на Онежском тракторном заводе до 1976 года.
Трактор предназначался для вывозки хлыстов непосредственно из лесосеки. Кроме трелёвки леса он был незаменим на лесоповале, на всевозможных транспортных работах в условиях бездорожья. За один рейс вывозил в среднем 5 м3 древесины.
Создание
В начале 50-х годов Министерство лесной промышленности СССР решило отказаться от устаревшего, переставшего удовлетворять требованием лесной промышленности газогенераторного трактора КТ-12А и поставило задачу Минскому тракторному заводу создать новый трелёвочный трактор мощностью 60 лс. Однако инженеры и руководство завода решили, что один мощный класс трактора для всех зон на всех лесоразработках будет неэкономичен, поэтому приняли решение создать трактор средней мощности.
Конструкция ТДТ-40 была разработана в 1954 году[1] командой конструкторов под руководством Ивана Иосифовича Дронга[2]. Эксплуатационные испытания 1955 года трактор ТДТ-40 прошёл успешно и межведомственная комиссия постановила наладить его производство.
Производство
В мае 1956 года на МТЗ начался выпуск ТДТ-40[1]. К концу года их было выпущено 3 430 штук. С 1957 года ТДТ-40 также стал производится на Онежском тракторном заводе. Производство прекратилось в конце 1960-х годов. Вскоре трактор был вытеснен новой моделью — ТДТ-55.
В 1969 году СССР передал Китаю оборудование и документацию для производства ТДТ-40. В настоящее время в Китае производится трелёвочный трактор J-65a, который является глубокой модернизацией ТДТ-40[3].
ТДТ-40М

Модификация ТДТ-40М, производившаяся с 1961 года, была намного распространённей первоначальной модели и являлась своего рода переходным звеном между ТДТ-40 и ТДТ-55. В этой модификации применено гидравлическое устройство для сбрасывания погрузочного щита, установлен более мощный двигатель Д-48Т с вихрекамерным смесеобразованием, улучшены динамичные свойства (благодаря смещению центра тяжести вперёд), усилена рама и т. п.
Конструкция ТДТ-40М
Трансмиссия
Муфта сцепления — двухдисковая сухая постоянно замкнутого типа. В маховике двигателя закреплены шесть ведущих пальцев, на которые надеты промежуточный и нажимной ведущие диски. Ступицы ведомых дисков расположены на шлицах вала. Кожух закреплён на ведущих пальцах болтами. Пружины, установленные между кожухом и теплоизолирующей накладкой нажимного диска, производят сжатие дисков. Снятие сцепления производится муфтой с радиально-упорным подшипником, который при снятии сцепления нажимает на внутренние концы рычагов и через шпильки с регулировочными гайками отводит от ведомого диска нажимной диск. Для ограничения перемещения промежуточного диска в кожухе закреплены три регулировочных винта.

Коробка переключения передач — механическая, пятиступенчатая с блокировкой механизма переключения крепится болтами к картеру маховика двигателя. В корпусе коробки установлены первичный,
вторичный валы, вал отбора мощности на лебёдку. Первичный вал соединён с валом муфты сцепления ступицей. Переключение передач производится при помощи кареток и, передвигаемых
по шлицам первичного вала, и шестерни, передвигаемой по шлицам
вторичного вала. На первичном валу жёстко закреплена шестерня
первой передачи. На вторичном валу жёстко закреплены шестерни передач
переднего хода, а также передняя вилка карданного вала. Включение вала отбора мощности производится шестерней. В корпусе коробки
также установлена на оси шестерня заднего хода. Шестерня, находящаяся в зацеплении с большим венцом каретки, обеспечивает разбрызгивание масла при нейтральном положении коробки передач. Карданный вал эластичный с резиновыми втулками
передаёт вращение от вторичного
вала коробки передач к ведущему валу центральной передачи.
Задний мост объединяет в своём корпусе центральную передачу, муфты поворота, тормоза, механизмы управления тормозами и муфтами поворота. В картерах, прикреплённых к корпусу заднего моста, размещены конечные передачи.

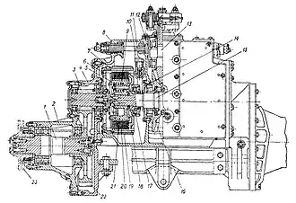
Главная передача состоит из двух конических шестерён. Вал 13 ведущей шестерни установлен в стакане 12 на шариковом и роликовом подшипниках. Ведомая шестерня 16 крепится болтами к фланцу вала 15 муфт поворота, установленному на роликовых конических подшипниках, поставленных в стаканах 14, прикреплённых к перегородкам корпуса 8 заднего моста. Муфты поворота смонтированы в крайних отсеках корпуса заднего моста. Ведущий барабан 21 каждой муфты закреплён на шлицевом конце вала 15, а ведомый 7 прикреплён болтами к фланцу 6, соединённому с ведущей шестерней конечной передачи. Каждая муфта поворота имеет пятнадцать ведущих и пятнадцать ведомых дисков 20. Давлением пружин 9 диски сжимаются между нажимным 18 и опорным 5 диском, прикреплённым к ведущему барабану. На ступице нажимного диска насажен радиально-упорный подшипник, наружное кольцо которого смонтировано в корпусе отводки 17. Тормоза — ленточного типа. Лента 19 тормоза охватывает наружную поверхность ведомого барабана муфты поворота. Управление муфтами поворота и тормозами осуществляется из кабины следующим образом: при оттягивании рычага управления на себя усилие через систему тяг и рычагов передаётся на валик 11, который с помощью кулачковой муфтой через рычажный механизм 10 передвигает отводку и отводит нажимной диск, сжимая пружины, при этом ведущие и ведомые диски перестают сжиматься, и ведомый барабан останавливается. Тормозная лента затягивается после выключения муфты поворота.
Бортовая передача — одноступенчатый редуктор, имеет две цилиндрические шестерни с прямыми зубьями. Ведущая шестерня 3 установлена на двух шариковых подшипниках. На шлицах концов вала 1 закреплены ведомая шестерня 22 конечной передачи и ведущее колесо 23 гусеничного движителя. Вал 1 с шестерней и колесом смонтирован на трёх шариковых подшипниках в крышке 2, прикреплённой к картеру 4 конечной передачи.
Ходовая часть
Рама сварена из двух лонжеронов швеллерноrо сечения, листов днища, поперечных связей, а также листов для установки кабины и топливноrо бака.

Колёса: направляющие — двойные стальные литые одноребордные с гладким ободом, натяжным устройством и амортизирующими пружинами, ведущие — двойные венцы на общей ступице, имеют литые стальные корпуса и по два зубчатых венца, зацепление — цевочное. Загрязнение ведущих колёс и забивание их мусором предотвращается при помощи очистителей, закреплённых на задних кронштейнах рамы.
Натяжное приспособление — кривошип с винтом и амортизирующей пружиной.
Подвеска балансирно-рессорная. Состоит из двух боковых балансиров 4 с рессорами, четырёх кареток 2, четырёх амортизаторов 1 и других деталей. Каждый главный балансир состоит из продольной трубы 3, поперечной трубы 5 и двух головок 6 на концах продольной трубы. Рессоры 7 расположены в головках балансира. Амортизаторы установлены на выступающих цапфах головок главных балансиров и вступают в работу, когда упругий ход рессор выбран.
Гусеницы имеют стальные литые звенья, соединённые между собой плавающими пальцами с головками на одном конце. На картерах конечных передач закреплены заталкиватели пальцев в исходное положение.
Оборудование
Болтами к раме крепится однобарабанная реверсивная лебёдка. Картер сделан из легированного чугуна. Червяк стальной однозаходный. На шлицованный хвостовик червяка насажена ведомая звёздочка цепной передачи, при помощи которой осуществляется привод лебёдки. Червячное колесо имеет стальную ступицу и бронзовый литой венец. Колесо насажено на шлицы вала барабана. Вал вращается на трёх текстолитовых втулках. Червячная пара работает в масляной ванне. Барабан — литой чугунный. Привод барабана — цепной, осуществляется подвижной кулачковой муфтой, передвигаемой по шлицам вала. На барабан навит трос диаметром 17 мм и длиной 40 м. Правая реборда барабана охвачена стальной тормозной лентой. К внутренней поверхности ленты приклепана тормозная накладка. Управление тормозом производится из кабины. Вращение от вала отбора мощности коробки передач передаётся червяку лебёдки через цепную передачу втулочно-роликовой цепью.
Щит погрузочного устройства — откидной сварной на шарнирной раме. Продольные балки щита выполнены из швеллеров. В передней части щита на поперечной трубе подвешен блок, направляющий движение троса. Шарнирная рама воспринимает и передаёт на трактор нагрузки от сбора древесины. В транспортном положении щит лежит передней частью на буферах передней опоры, а задней — на двух ползунах.
Гидропривод состоит из масляного насоса типа НШ-60В, трёхзолотникового распределителя типа Р40/75, двух силовых цилиндров типа ЦС-110 и бака. Для управления гидроцилиндрами щита используется один золотник.
Напряжение в сети электрооборудования 12 В. Генератор — постоянного тока мощностью 240 Вт.
Примечания
- 1 2 Журнал «Основные средства» № 8 за 2006 год. Статья «Минский тракторный: становление лидера отрасли». Дата обращения: 26 октября 2013. Архивировано 29 октября 2013 года.
- ↑ «Техника молодёжи» № 12, 1975 год. Дата обращения: 26 октября 2013. Архивировано из оригинала 29 октября 2013 года.
- ↑ Петрозаводский трактор вернется в Россию. Из Китая. Дата обращения: 26 октября 2013. Архивировано 29 октября 2013 года.
Ссылки
Литература
Б. Ф. Косенко, Б. П. Тюркин. Тракторы. — Л.: Лениздат, 1968. — 140 000 экз.
.jpg)