RS-485
| RS-485 | |
|---|---|
| Стандарт | EIA/TIA-485 (RS-485) |
| Физическая среда | Витая пара |
| Сетевая топология | Точка-точка, Multi-dropped, |
| Максимальное количество устройств | 32—256 устройств
(32 нагруженных) |
| Максимальное расстояние | 1200 метров |
| Режим передачи | Дифференциальный сигнал (балансный) |
| Максимальная скорость передачи | 0,1—10 Мбит/с |
| Напряжение | -7 В до +12 В |
| (1, MARK) | (A-B) < −200 мВ
(отрицательное напряжение) |
| (0, SPACE) | (A-B) > +200 мВ
(положительное напряжение) |
| Сигналы | Tx+/Rx+, Tx-/Rx-
(Полудуплексный) |
| Тип разъема | Не специфицирован |
RS-485 (англ. Recommended Standard 485), или EIA-485 (англ. Electronic Industries Alliance-485) — стандарт физического уровня для асинхронного интерфейса. Полное название стандарта: ANSI TIA/EIA-485-A:1998 Electrical Characteristics of Generators and Receivers for Use in Balanced Digital Multipoint Systems. Регламентирует электрические параметры полудуплексной многоточечной дифференциальной линии связи типа «общая шина».
Стандарт приобрел большую популярность и стал основой для создания целого семейства промышленных сетей, широко используемых в промышленной автоматизации.
Стандарт RS-485 совместно разработан двумя ассоциациями: Ассоциацией электронной промышленности (EIA — Electronic Industries Association) и Ассоциацией промышленности средств связи (TIA — Telecommunications Industry Association). Ранее EIA маркировала все свои стандарты префиксом «RS» (англ. Recommended Standard — Рекомендованный стандарт). Многие инженеры продолжают использовать это обозначение, однако EIA/TIA официально заменил «RS» на «EIA/TIA» с целью облегчить идентификацию происхождения своих стандартов.
Технические характеристики интерфейса RS-485
В стандарте RS-485 для передачи и приёма данных используется одна витая пара проводов, сопровождаемая экранирующей оплеткой или общим проводом[1].
Передача данных осуществляется с помощью дифференциальных сигналов. Напряжение между проводниками с одной полярностью означает логическую единицу, с другой полярностью — логический ноль.
Стандарт RS-485 оговаривает только электрические и временны́е характеристики интерфейса. Стандарт RS-485 не оговаривает:
- параметры качества сигнала (допустимый уровень искажений, отражения в длинных линиях);
- типы соединителей и кабелей;
- гальваническую развязку линии связи;
- протокол обмена.
Электрические и временные характеристики интерфейса RS-485

- Поддерживаются до 32 приёмопередатчиков в одном сегменте сети.
- Максимальная длина одного сегмента сети: 1200 метров.
- В каждый момент времени активным может быть только один передатчик.
- Максимальное количество узлов в сети — 256 с учётом магистральных усилителей.
- Соотношения скорость обмена/длина линии связи[2]:
- 62,5 кбит/с 1200 м (одна витая пара),
- 375 кбит/с 500 м (одна витая пара),
- 500 кбит/с,
- 1000 кбит/с,
- 2400 кбит/с 100 м (две витых пары),
- 10 000 кбит/с 10 м.
Тип приёмопередатчиков — дифференциальный, потенциальный. Изменение входных и выходных напряжений относительно общего провода (референтной «земли») на линиях A и B: Ua (Ub) от −7 В до −12 В (+7 В до +12 В).
Требования, предъявляемые к выходному каскаду:
- выходной каскад представляет собой источник напряжения с малым выходным сопротивлением, |Uвых|=1,5:5,0 В (не менее 1,5 В и не более 5,0 В);
- состояние логической «1»: Ua < Ub (с гистерезиссом 200 мВ) — MARK, OFF;
- состояние логического «0»: Ua > Ub (гистерезис 200 мВ) — SPACE, ON (производители микросхем — драйверов, часто выбирают намного меньшие значения, например, гистерезис от 10 мВ[3][4]);
- выходной каскад передатчика должен выдерживать режим короткого замыкания, в режиме короткого замыкания отдавать максимальный выходной ток 250 мА, обеспечивать скорость нарастания выходного сигнала 1,2 В/мкс и схему ограничения выходной мощности.
Требования, предъявляемые к входному каскаду:
- входной каскад представляет собой дифференциальный вход с высоким входным сопротивлением и пороговой характеристикой от −200 мВ до +200 мВ;
- допустимый диапазон синфазных входных напряжений Uag (Ubg) относительно земли (GND) от −7 В до +12 В;
- входной сигнал представлен дифференциальным напряжением (Ui +0,2 В и более);
- уровни состояния приёмника входного каскада — см. состояния передатчика выходного каскада.
Сигналы


Стандарт определяет следующие линии для передачи сигнала:
- A — не инвертирующая;
- B — инвертирующая;
- C — необязательная общая линия (ноль).
Согласно стандарту[5]:
- VA > VB соответствует логическому «0» и называется «активным» (ON) состоянием шины;
- VA < VB соответствует логической «1» и называется «неактивным» (OFF) состоянием шины.
Таким образом, при описании состояний шины используется инверсная логика. При этом логика однополярных сигналов на входе передатчика и выходе приёмника стандартом не определяется.
Несмотря на недвусмысленное определение, иногда возникает путаница по поводу того, какие обозначения («A» или «B») следует использовать для инвертирующей и неинвертирующей линии. Для того, чтобы избежать этой путаницы, часто используются альтернативные обозначения, например: «+»/«-» или «D+»/«D-» или «V+/V-»[6].
Большинство производителей придерживается стандарта и использует обозначение «A» для неинвертирующей линии. То есть, высокий уровень сигнала на входе передатчика соответствует состоянию VA > VB на шине RS-485; также VA > VB соответствует высокому уровню сигнала на выходе приёмника[5].
Необходимо обратить внимание, что «неактивное» состояние линии от «активного», в контексте, обозначенном в стандарте (соответственно передача логических 0 и 1), не отличаются электрически, кроме полярности — то есть, не являются эквивалентом «занятости» или «свободности» линии. Оба состояния активно передают в линию соответствующий символ. Для отключения передатчика в нём всегда имеется отдельный вход — при его отключении выходы переходят в высокоимпедансное состояние, допуская работу в этой линии других передатчиков. Таким образом, «активное» и «неактивное» состояния сами по себе не являются индикатором чего-либо, помимо передаваемого бита. Протокол передачи, использующий относительное кодирование, допускает инверсию передаваемых данных, а значит перемену проводов в паре местами без каких-либо последствий. При этом, однако, на практике гораздо чаще используется не абстрактный или создаваемый разработчиком протокол обмена, а отражение протокола RS-232 в его логической части на аппаратный уровень RS-485 — так как производятся промышленные преобразователи соответствующего типа, что позволяет не разрабатывать свой логический протокол. Здесь полярность подключения принципиальна в связи с тем, что RS-232 использует определённое толкование передаваемых символов и не допускает их инверсии.
Согласование и смещение

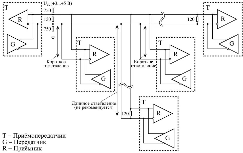
При большой длине линии связи возникают эффекты длинных линий. Причина этому — распределённые индуктивность и ёмкость кабеля. Поэтому сигнал, переданный в линию одним из передатчиков, искажается по мере распространения в линии, возникают резонансные явления и отражения в линии. Поскольку практически кабель на всей длине имеет одинаковую конструкцию и, следовательно, одинаковые погонные ёмкость и индуктивность, то это свойство кабеля характеризуют специальным параметром — волновым сопротивлением. Упрощённо можно сказать, что в кабеле, на приёмном конце которого подключена согласованная нагрузка (резистор с сопротивлением, равным волновому сопротивлению кабеля), резонансные явления значительно ослабляются. Называется такой резистор терминатором. Для сетей RS-485 они ставятся на каждой оконечности длинной линии (поскольку обе стороны могут быть приёмными). Волновое сопротивление наиболее распространенных витых пар типа CAT5 составляет 100 Ом[7]. Другие витые пары могут иметь волновое сопротивление 150 Ом и выше. Плоские ленточные кабели до 300 Ом[8][9].
Практически сопротивление этого резистора может выбираться и бо́льшим, чем волновое сопротивление кабеля, поскольку активное омическое сопротивление того же кабеля может оказаться слишком большим, что амплитуда сигнала на приёмной стороне будет слишком малой для устойчивого приёма. В этом случае выбирают компромисс между резонансными и амплитудными искажениями сигнала, уменьшая скорость интерфейса и увеличивая сопротивление терминального резистора[10][11][12]. На скоростях 9600 бит/с и ниже для кабелей разумной длины резонансные явления, способные ухудшить качество связи, не проявляются, и согласование линии не требуется. Более того, при низких скоростях передачи (менее 9600 бит/с) терминальный резистор даже не улучшает, а ухудшает надежность передачи (это существенно для длинных линий связи)[13].
Ещё один источник искажения формы сигналов при высоких скоростях передачи через витую пару — разная скорость распространения высокочастотной и низкочастотной спектральных составляющих сигнала (высокочастотная составляющая распространяется по витой паре несколько быстрее), что приводит к искажению формы сигнала[14].
Помехи в линии связи зависят не только от длины, номиналов терминальных резисторов и качества самой витой пары. Также важно, чтобы линия связи последовательно проходила через все приёмопередатчики (это называют топологией общей шины). Витая пара общей шины не должна иметь от неё длинных отводов — отрезков кабеля для соединения с очередным приёмопередатчиком, кроме соединений с повторителями интерфейса или при низких скоростях передачи, менее 9600 бит/с.
При нективности всех передатчиков на шине уровень сигнала в линии не определён. Для предотвращения ситуации, когда разница между входами A и B меньше 200 мВ (неопределённое состояние), иногда применяется дополнительное смещение с помощью резисторов или с помощью специальной схемы. Когда состояние линий не определено, то приёмники могут принимать помехи. В некоторых протоколах предусмотрена передача служебных последовательностей для стабилизации приёмников и обеспечения уверенного начала приёма.

Сетевые протоколы, использующие RS-485
Промышленные сети, построенные на основе RS-485
См. также
Примечания
- ↑ RS-422 and RS-485 Application Note. Дата обращения: 24 апреля 2024. Архивировано 16 октября 2006 года.
- ↑ Скорости обмена 62,5 кбит/с, 375 кбит/с, 2400 кбит/с оговорены стандартом RS-485. На скоростях обмена свыше 500 кбит/с рекомендуется использовать экранированные витые пары.
- ↑ Datasheet приемопередатчик RS-485 SP485C. Дата обращения: 27 июля 2012. Архивировано 25 апреля 2014 года.
- ↑ Datasheet приемопередатчик RS-485 DS75176. Дата обращения: 27 июля 2012. Архивировано 25 апреля 2014 года.
- 1 2 Polarity Conventions for RS-485 Transceivers. Дата обращения: 21 июня 2017. Архивировано 19 июня 2015 года.
- ↑ Polarities for Differential Pair Signals. Дата обращения: 21 июня 2017. Архивировано 10 июля 2017 года.
- ↑ Кабели на основе витых пар. Дата обращения: 27 октября 2012. Архивировано 24 февраля 2011 года.
- ↑ РАДИОЧАСТОТНЫЕ СИММЕТРИЧНЫЕ КАБЕЛИ. Дата обращения: 6 декабря 2012. Архивировано 10 марта 2012 года.
- ↑ ВОЛНОВОЕ СОПРОТИВЛЕНИЕ. Дата обращения: 6 декабря 2012. Архивировано 10 марта 2012 года.
- ↑ Правильная разводка сетей RS-485 (пер. И. Н. Бирюков). Дата обращения: 5 июля 2006. Архивировано 9 октября 2006 года.
- ↑ Интерфейс RS-485: описание, подключение. Дата обращения: 11 ноября 2012. Архивировано из оригинала 2 ноября 2012 года.
- ↑ Е. А. Бень — RS-485 для чайников Архивировано 21 февраля 2014 года.
- ↑ Согласование линии с передатчиком и приёмником. Дата обращения: 15 марта 2013. Архивировано 28 января 2013 года.
- ↑ Статья — передача сигналов по витой паре. Дата обращения: 27 июля 2012. Архивировано 28 апреля 2013 года.
Ссылки
- Евгений Александрович Бень. RS-485 для чайников (2003). Дата обращения: 4 февраля 2014. Архивировано 7 августа 2011 года.
- Яшкардин В. Л. RS-485 — стандарт передачи данных по последовательному симметричному каналу. SoftElectro (2009). Дата обращения: 5 мая 2010. Архивировано 27 февраля 2012 года.
- Игорь Николаевич Бирюков. Правильная разводка сетей RS-485 (2001). Дата обращения: 5 мая 2010. Архивировано 13 апреля 2010 года.
- Майк Фэрион (Mike Fahrion). Поиск и устранение неисправностей в сетях RS-485 (2005). Дата обращения: 16 августа 2011. Архивировано 5 февраля 2012 года.