Texas Instruments SN76477

Sn76477

SN76477 — электронный компонент, микросхема программируемого генератора звука, разработанная компанией Texas Instruments в конце 1970-х годов. По терминологии разработчика она представляет собой комплексный генератор звука (Complex Sound Generator).

Возможности

SN76477 TOP VIEW
  • Генератор прямоугольных импульсов, управляемый напряжением
  • Сверхнизкочастотный генератор
  • Модулятор, управляемый напряжением
  • Генератор цифрового шума (на основе сдвигового регистра)
  • Фильтр для генератора цифрового шума
  • Генератор огибающей (Атака/Спад)
  • Программно управляемый микшер

Несмотря на похожесть обозначения и время разработки микросхемы аналогичного назначения той же компании — SN76489 — ничего общего между ними нет. Синтез звука в SN76477 производится аналоговой схемой, имеющей цифровое управление, тогда как SN76489 является полностью цифровым генератором звука.

Применения

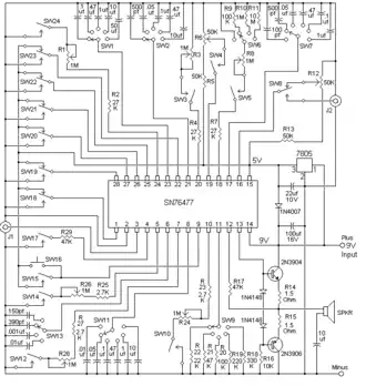
76477 Demo Circuit-D

Микросхема применялась в ряде игровых автоматов с 1978 по 1983 годы, а также в различных электронных игрушках и радиолюбительских конструкциях. Схемы подобных конструкций публиковались в различных журналах, например в ELO (Германия, 1980), Elektor (Германия, 1982), Elrad (Германия, 1979), ITM Praktiker (Австрия, 1983), Popular Electronics (1980).

См. также

Примечания

    Ссылки

    • SN-76477 — Публикации из различных радиожурналов, оригинальная документация.