Детектор (электроника)

Дете́ктор, демодуля́тор (лат. detector — открыватель, обнаружитель) — элемент или электрическая цепь для обнаружения (детектирования, демодуляции) электромагнитных колебаний с целью их индикации или выявления закона их изменения во времени. С помощью детектора в приёмных устройствах различного назначения происходит выделение информации, заложенной в виде амплитудной (АМ), частотной (ЧМ) или фазовой (ФМ) модуляции несущего сигнала — соответственно детектор называют амплитудным, частотным и фазовым[1].
На входе детектора действует высокочастотный сигнал, а на выходе — низкочастотный модулирующий сигнал. То есть, детектор преобразует спектр сигнала и должен содержать элемент (элементы) с существенной нелинейностью вольт-амперной характеристики или параметрические устройства, у которых ёмкость зависит от напряжения или индуктивность зависит от тока[2].
Зависимость выходного напряжения (или тока) детектора от модулируемого параметра (амплитуда, частота или фаза) называется детекторной характеристикой — она должна быть достаточно линейной, чтобы обеспечивать точное воспроизведение закона модуляции входного сигнала[2].
Амплитудные детекторы
Применяются для детектирования амплитудно-модулированных непрерывных и импульсных сигналов, то есть для получения напряжения (или тока), частота и форма которого соответствует огибающей АМ-сигнала на входе детектора[1]. В качестве нелинейного элемента может использоваться, например, диод или управляемый синхронно с несущим сигналом быстродействующий ключ[2].
Диодный детектор
Для амплитудного диодного детектора обычно рассматривают два режима работы в зависимости от выбора участка вольт-амперной характеристики (ВАХ) диода. При малом сигнале на входе диод работает на начальном участке своей ВАХ, который хорошо аппроксимируется полиномом второй степени. Если сигнал большой, то ВАХ диода в прямом направлении принимается линейной. Интервал амплитуд входного сигнала, в котором устройство работает как квадратичный детектор или как линейный детектор, можно установить по детекторной характеристике, представляющей собой зависимость постоянного напряжения на выходе детектора от амплитуды немодулированного входного сигнала[2].
Постоянная времени на выходе детектора выбирается так, чтобы, с одной стороны, отфильтровать высокочастотные составляющие детектируемого сигнала (несущего сигнала и его гармоник), а с другой, — чтобы несущественно ослабить составляющие верхней части спектра восстанавливаемого модулирующего сигнала. Напряжение на выходе детектора представляет собой функцию, пульсирующую с частотой несущей около некоторого значения. Ток через диод протекает только в те промежутки времени, когда положительные полуволны напряжения входного сигнала выше выходного напряжения[2].

Рассмотренную выше схему амплитудного детектора иногда называют «детектор с открытым входом», так как постоянное напряжение на входе, которое может присутствовать в конкретном устройстве, передаётся через диод на выход детектора. Если поменять местами диод и конденсатор, получится так называемый «детектор с закрытым входом», или «параллельный детектор», не пропускающий постоянный ток на выход. По такой схеме строятся, например, детекторные головки для измерения переменного напряжения радиочастотного диапазона с помощью вольтметра постоянного тока.
Диодный детектор, или детектор огибающей, используется в большинстве существующих радиоприёмных устройств для детектирования АМ-радиосигналов. Это упрощает схему приёмника, но приводит к двукратному проигрышу в помехоустойчивости по сравнению с синхронным детектированием с помощью синхронного детектора[3].
Детектор произведения
Детектор произведения — тип демодулятора, используемый для АМ-сигналов с пониженным или подавленным несущим сигналом, с двумя или с одной боковой полосой. В детекторе произведения принимаемый сигнал перемножается в смесителе с сигналом местного генератора (гетеродина). Выходной сигнал смесителя, содержащий комбинационные составляющие с суммарной и разностной частотой смешиваемых сигналов, поступает на фильтр нижних частот, на выходе которого восстанавливается исходный модулирующий сигнал.
Синхронный детектор
Синхронный детектор — это детектор с электронными ключами, в котором сигнал местного генератора (гетеродина) синхронизирован по частоте и фазе с несущим сигналом[4]. Схема простейшего синхронного детектора подобна схеме диодного детектора, но вместо диода используется ключ, управляемый синхронно с началом и окончанием каждого полупериода несущего сигнала. Роль ключа обычно выполняет электронный коммутатор, более сложная схема которого может быть построена так, что в нагрузку поступают как положительные, так и отрицательные полупериоды амплитудно-модулированного сигнала. Синхронный детектор используется, когда требуется высокая линейность детекторной характеристики для сигнала с малым уровнем[2], а также в случае, когда требуется максимальная помехоустойчивость так называемого квазиоптимального приёмника АМ-сигнала[4]. Синхронный детектор также применяется в радиоприёмниках прямого преобразования[5].
Частотные и фазовые детекторы

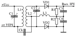
Дискриминатор Фостера — Сили
Дискриминатор Фостера — Сили[6][7] — широко используемый частотный детектор. Он состоит из специального трансформатора, состоящего из двух LC-контуров с индуктивной и ёмкостной связями. Второй контур (вторичная обмотка трансформатора) имеет отвод от средней точки и питает два диода. Если контура трансформатора настроены на частоту несущего сигнала при нулевой модуляции, то выходной сигнал такого детектора равен нулю — напряжения с обеих половин вторичной обмотки трансформатора равны и взаимно вычитаются. При частотной модуляции входной сигнал отклоняется по частоте от исходной несущей частоты, что эквивалентно «расстройке» колебательных контуров детектора относительно входного сигнала. Из-за фазового сдвига тока в расстроенном колебательном контуре баланс между сигналами двух половин вторичной обмотки нарушается и возникает разностное выходное напряжение, пропорциональное отклонению частоты входного сигнала от частоты настройки колебательных контуров.
Дискриминатор Фостера — Сили чувствителен как к полезным частотным, так и к паразитным амплитудным изменениям входного сигнала. Поэтому перед ним необходимо использовать каскад усилителя-ограничителя, чтобы устранить мешающие колебания амплитуды сигнала, которые детектируются как шум.

Дробный детектор
Дробный детектор[8][9][10][11] (в литературе часто встречается название «детектор отношений»[2]), является вариантом дискриминатора Фостера — Сили, но один диод включён в противоположном направлении и используется третья обмотка в предшествующем трансформаторе. Выходной сигнал в этом случае образуется как сумма напряжений от диодов и напряжения от среднего отвода. Эта сумма напряжений подаётся на конденсатор достаточно большой ёмкости и поэтому изменяется намного медленнее изменений модулирующего сигнала, например при передаче звуковых колебаний[2], то есть этот конденсатор устраняет паразитную амплитудную модуляцию на входе детектора.
Нечувствительность к амплитудной модуляции — преимущество перед дискриминатором Фостера — Сили, так как возможно исключение каскада амплитудного ограничителя, но выходной сигнал составляет только 50 % от выходного сигнала дискриминатора при том же входном сигнале. Также дробный детектор имеет более широкую полосу пропускания, но большую нелинейность, чем дискриминатор Фостера — Сили.
Квадратурный детектор
В квадратурных детекторах принимаемый ЧМ-сигнал разделяется на два сигнала, один из которых проходит через конденсатор с высоким реактивным сопротивлением, сдвигающий фазу этого сигнала на 90°. Затем этот сдвинутый по фазе сигнал поступает на LC-контур с резонансом на средней частоте ЧМ-сигнала, то есть на частоте несущего сигнала. Если частота принимаемого ЧМ-сигнала равна средней частоте, то два сигнала будут иметь разность фаз 90° и они, как говорят, находятся в «фазовой квадратуре» — отсюда и название этого метода. Затем два сигнала перемножаются в аналоговом или цифровом устройстве, которое служит фазовым детектором — устройством, выход которого пропорционален разности фаз между двумя сигналами. В случае немодулированного сигнала выход фазового детектора — после фильтрации, то есть усредненная по времени — постоянный ноль. В принятом ЧМ-сигнале частота колеблется относительно средней частоты, поэтому резонансный LC-контур будет дополнительно сдвигать фазу сигнала после фазосдвигающего конденсатора, так что общий фазовый сдвиг будет суммой 90° и положительного или отрицательного фазового изменения, вызванного LC-контуром. В этом случае выходной сигнал фазового детектора будет отличаться от нуля и происходит восстановление модулирующего сигнала.
Детектор с логическим элементом «исключающее „или“»
Описанный выше процесс детектирования можно также выполнить преобразованием в логическом вентиле «исключающее ИЛИ» двух сигналов — ограниченного по амплитуде принимаемого ЧМ-сигнала и любой его копии (версии), прошедшей через схему, создающую фазовый сдвиг, который изменяется от частоты, например LC-контур, а затем тоже ограниченной по амплитуде. В другом варианте в качестве второго сигнала может использоваться прямоугольный несущий сигнал с фиксированной частотой, соответствующей центральной частоте принимаемого сигнала. Вентиль «исключающее ИЛИ» создает последовательность выходных импульсов, рабочий цикл которых соответствует разности фаз между двумя входными сигналами. В результате изменения этой разности фаз получается широтно-импульсная модуляция выходных импульсов. Если эти импульсы поступают на фильтр нижних частот, то на выходе фильтра сигнал увеличивается, когда импульсы удлиняются, и уменьшается, когда импульсы укорачиваются. Так восстанавливается модулирующий сигнал.
Если используется вариант со сдвигом по фазе подлинного сигнала, то результатом является частотная демодуляция, поскольку разность частот между входными сигналами вентиля «исключающее ИЛИ» остается нулевой и поэтому не влияет на их фазовое соотношение.
В другом варианте, с несущим сигналом с фиксированной частотой, результатом является фазовая демодуляция, которая в данном случае представляет собой интеграл восстановленного модулирующего сигнала.
Другие частотные детекторы
К менее распространенным, специализированным или устаревшим типам детекторов относятся[12]:
- схема Трэвиса[13] или дискриминатор с двойной настройкой, использующий две невзаимодействующие настроенные схемы — выше и ниже номинальной центральной частоты;
- дискриминатор Вейсса, в котором используется одиночная настроенная LC-схема или кварцевый резонатор;
- дискриминатор с подсчётом импульсов, который преобразует частоту в последовательность импульсов постоянной амплитуды, создавая напряжение, прямо пропорциональное частоте.
Детектор с фазовой автоподстройкой частоты
Детектор с фазовой автоподстройкой частоты (ФАПЧ) не требует частотно-селективной LC-цепи для выполнения демодуляции. В этой системе генератор, управляемый напряжением (ГУН), синхронизируется по частоте и фазе входным сигналом с помощью контура обратной связи, который удерживает частоту ГУНа равной частоте приходящего ЧМ-сигнала. Напряжение, задающее частоту ГУНа, представляет собой восстановленный модулирующий сигнал. Частотный детектор с ФАПЧ не следует путать с синтезатором частоты с ФАПЧ, который часто используется в радиоприёмниках сигналов с амплитудной и частотной модуляцией с цифровой настройкой частоты гетеродина.
См. также
Примечания
- 1 2 Детектор // Энциклопедия современной техники. Автоматизация производства и промышленная электроника. Том 1 (А—И) / Главные редакторы А. И. Берг и В. А. Трапезников. — М.: Советская энциклопедия, 1962.
- 1 2 3 4 5 6 7 8 Першин В. Т. 4. Схемотехника детекторов // Основы радиоэлектроники и схемотехники: Учебное пособие. В 2-х частях. Часть 2 : [арх. 12 июля 2023]. — Минск : БГУИР, 2006. — 152 с. — ISBN 985-444-813-4 (ч. 2).
- ↑ Силяков, 2004, с. 76.
- 1 2 Силяков, 2004, с. 74—76.
- ↑ Direct Conversion Receiver. Qsl Network. Дата обращения: 9 февраля 2011. Архивировано 26 июля 2023 года.
- ↑ Seeley, Stuart W., "Frequency Variation Response Circuits", US 2121103, issued June 21, 1938
- ↑ Foster, D. E.; Seeley, S. W. (March 1937), Automatic tuning, simplified circuits, and design practice, Proceedings of the Institute of Radio Engineers, 25 (3): 289–313, doi:10.1109/jrproc.1937.228940, S2CID 51654596, part 1.
- ↑ Seeley, Stuart William, "Angle Modulation Detector", US 2497840, issued February 14, 1950
- ↑ Anderson, Earl I., US 2561089, issued July 17, 1951
- ↑ Report L. B. — 645: «Ratio detectors for FM receivers» (15 September 1945) issued by the Radio Corporation of America, RCA Laboratories Industry Service Division, 711 Fifth Avenue, N.Y., N.Y. Reprinted in Radio, pages 18-20 (October 1945).
- ↑ Seeley, Stuart W.; Avins, Jack (June 1947), The ratio detector, RCA Review, 8 (2): 201–236
- ↑ D. S. Evans and G. R. Jessup, VHF-UHF Manual (3rd Edition), Radio Society of Great Britain, London, 1976 pages 4-48 through 4-51
- ↑ Charles Travis, «Automatic oscillator frequency control system» U.S. patent: 2,294,100 (filed: 4 February 1935; issued: August 1942). См. также: Charles Travis, "Automatic frequency control, " Proceedings of the Institute of Radio Engineers, vol. 23, no. 10, pages 1125—1141 (October 1935).
Литература
- Силяков В. А., Красюк В. Н. Системы авиационной радиосвязи: Учебное пособие / Под ред. В. А. Силякова. — СПб.: СПбГУАП, 2004. — 160 с. — ISBN 5-8088-0136-2. Архивная копия от 3 августа 2023 на Wayback Machine