Мультивибратор
Мультивибра́тор — релаксационный генератор электрических прямоугольных колебаний с короткими фронтами.
Мультивибратор является одним из самых распространённых генераторов импульсов прямоугольной формы, используемый в электронике и радиотехнике. Обычно представляет собой двухкаскадный резистивный усилитель, охваченный глубокой положительной обратной связью.
В электронной технике используются самые различные варианты схем мультивибраторов, которые различаются между собой схемотехникой, типом используемых активных компонентов (ламповые, транзисторные, тиристорные, микроэлектронные и другие), различающиеся режимом работы (автоколебательный, ждущие, с внешней синхронизацией), видом связи между усилительными элементами, способам регулировки длительности и частоты генерируемых импульсов и другими параметрами.
История

Мультивибратор изобретён в годы Первой Мировой войны французскими учеными Анри Абрахамом и Эженом Блохом и впервые описан в статье, опубликованной в журнале Annales de Physique в 1919 г.[1]
Название мультивибратор для устройства предложил голландский физик ван дер Пол, и это отражает тот факт, что в спектре прямоугольных колебаний мультивибратора присутствует множество высших гармоник — в отличие от генератора синусоидальных колебаний («моновибратора»).
Некоторые типы и классификация мультивибраторов


Существуют три типа мультивибраторов в зависимости от режима работы:
- нестабильный, автоколебательный или астабильный: устройство непрерывно генерирует колебания и самопроизвольно переходит из одного состояния в другое. При этом не обязателен внешний сигнал синхронизации, если не требуется захват частоты колебаний.
- моностабильный: одно из состояний является стабильным, но другое состояние неустойчиво (переходное). Мультивибратор на некоторое время, определяемое параметрами его компонентов, переходит в неустойчивое состояние под действием запускающего импульса. Затем возвращается в устойчивое состояния до прихода очередного запускающего импульса. Такие мультивибраторы используются для формирования импульса с фиксированной длительностью, не зависящей от длительности запускающего импульса. Такой тип мультивибраторов иногда, в литературе, называют одновибраторы или ждущие мультивибраторы.
- бистабильный: мультивибратор устойчив в любом из двух состояний и может быть переключён из одного состояния в другое подачей внешних импульсов. Такие устройства называют бистабильными триггерами. Такие триггеры иногда называют «мультивибраторами», что не корректно, так эти триггеры есть лишь подкласс мультивибраторов но никак не мультивибраторы вообще.
Отнесение мультивибратора к классу автогенераторов оправдано лишь при автоколебательном режиме его работы. В ждущем режиме мультивибратор генерирует импульсы только тогда, когда на его вход поступают синхронизирующие сигналы.
Режим синхронизации отличается от автоколебательного тем, что в этом режиме с помощью внешнего управляющего (синхронизирующего) колебания удаётся синхронизовать частоту колебаний автоколебательного мультивибратора под частоту синхронизирующего сигнала или сделать кратной ей (режим «захвата частоты») для автоколебательных мультивибраторов.
«Мультивибратор» Шмитта
Иногда мультивибраторами называют триггеры Шмитта — электронные схемы, физически являющиеся не мультивибраторами, но компараторами с гистерезисом.
Симметричный мультивибратор

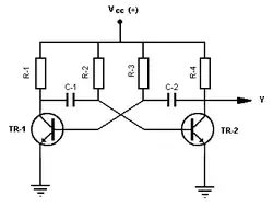
Приведенная в качестве примера на рисунке «классическая» схема мультивибратора на двух транзисторах одного типа проводимости сейчас почти не применяется, так как имеет плохие частотные свойства и недостаточно крутые фронты, что ограничивает частоту его генерации единицами МГц. При уменьшении номиналов компонентов (сопротивлений резисторов и ёмкости конденсаторов) для повышения частоты генерации оба транзистора переходят в открытое или насыщенное состояние без генерации, — генерация самопроизвольно срывается, и для восстановления генерации устройство надо перезапускать, — например, подачей импульса на базу одного из транзисторов, что во многих применениях неприемлемо.
Симметричным мультивибратор называют при попарном равенстве сопротивлений резисторов R1 и R4, R2 и R3, ёмкостей конденсаторов C1 и C2, а также параметров транзисторов Q1 и Q2.
Симметричный мультивибратор генерирует прямоугольные колебания («меандр») со скважностью 2, то есть прямоугольный сигнал, у которого длительность импульса и длительность паузы одинаковы.
Симметричный мультивибратор по «классической» схеме широко используется для учебных и демонстрационных целей в качестве схемотехнически простейшего генератора электрических колебаний. Принцип работы этой схемы легко понять, а также эта схема удобна тем, что не требует для своей реализации громоздких и неудобных катушек индуктивности и трансформаторов.
Ждущие мультивибраторы
Моностабильный мультивибратор
Моностабильный мультивибратор, также нередко называемый одновибратором, есть разновидность ждущего мультивибратора. Имеет одно стабильное состояние и одно неустойчивое состояние. При поступлении запускающего импульса одностабильный мультивибратор переключается в неустойчивое состояние на время , причём это время не зависит от длительности запускающего импульса (для схемы на рисунке 2), а затем возвращается в устойчивое состояние.
Одновибраторы применяются для преобразования формы импульсов в расширителях импульсов[2][3].
Бистабильный мультивибратор
Бистабильный мультивибратор — разновидность ждущего мультивибратора, имеющий два стабильных (устойчивых) состояния, характеризующихся разными уровнями напряжения на выходе. Как правило, бистабильные мультивибраторы переключаются из одного стабильного состояние в другое сигналами, подаваемыми на разные входы, как показано на схеме на рисунке. В этом случае бистабильный мультивибратор представляет собой триггер RS-типа. В некоторых схемах для переключения используется один вход, на который для переключения подаются импульсы различной либо одной полярности, при переключении состояний импульсами одной полярности на одном входе такие устройства называют «триггерами со счётным входом».
Бистабильный мультивибратор, кроме выполнения функции триггера, применяется также для построения генераторов, синхронизированных внешним сигналом. Такой тип бистабильных мультивибраторов характеризуется минимальным временем пребывания в каждом из состояний или минимальным периодом колебаний. Изменение состояния мультивибратора возможно только по прошествии определённого времени с момента последнего переключения (так называемое «мёртвое время переключения») и происходит в момент поступления фронта синхронизирующего сигнала.
Мультивибратор на операционном усилителе

Принципиально можно построить автоколебательный мультивибратор на инвертирующем компараторе с гистерезисом, охваченном отрицательной обратной связью. Пример такой структуры с использованием операционного усилителя (ОУ) приведён на рисунке справа.
Делитель напряжения из пары резисторов R4, включенных в цепь обратной положительной связи переводят ОУ в режим компаратора с гистерезисом по инвертирующему входу, к которому подключена интегрирующая цепочка R2, C1. При переключении компаратора из состояние в состояние происходит изменение направления тока в интегрирующей цепочке и конденсатор начинает перезаряжаться в другую сторону до достижения другого порога компарации, и переключения полярности напряжения на выходе ОУ. В этой схеме ОУ выполняет сразу несколько функций: источника напряжений разряда и заряда конденсатора, компаратора и выходного ключа.
Мультивибратор на индуктивностях
В некоторых схемах используется симметричный мультивибратор, где времязадающая цепочка использует не заряд конденсатора, а возникновение ЭДС самоиндукции в дросселях. При этом возникающие при переключении мультивибратора импульсы напряжения самоиндукции могут использоваться для получения повышенного напряжения.

Принцип действия «классического» двухтранзисторного мультивибратора
Схема может находиться в одном из двух нестабильных состояний и периодически переходит из одного в другое и обратно. Фаза перехода очень короткая относительно длительности нахождения в состояниях благодаря глубокой положительной обратной связи, охватывающей два каскада усиления.
Пусть в состоянии 1 Q1 закрыт, Q2 открыт и насыщен, при этом C1 быстро заряжается током открытого базового перехода Q2 через R1 и Q2 почти до напряжения питания, после чего при полностью заряженном C1 через R1 ток прекращается, напряжение на C1 равно (ток базы Q2)·R2, а на коллекторе Q1 — напряжению питания.
При этом напряжение на коллекторе Q2 невелико (равно падению напряжения на насыщенном транзисторе).
C2, заряженный ранее в предыдущем состоянии 2 (полярность по схеме), медленно разряжается через открытый Q2 и R3. При этом напряжение на базе Q1 отрицательно и этим напряжением он удерживается в закрытом состоянии. Запертое состояние Q1 сохраняется до того, пока C2 не перезарядится через R3 и напряжение на базе Q1 не достигнет порога его отпирания (около +0,6 В). При этом Q1 начинает приоткрываться, напряжение его коллектора снижается, что вызывает начало запирания Q2, напряжение коллектора Q2 начинает увеличиваться, что через конденсатор C2 ещё больше открывает Q1. В результате в схеме развивается лавинообразный регенеративный процесс, приводящий к тому, что Q1 переходит в открытое насыщенное состояние, а Q2 наоборот полностью запирается.
Далее колебательные процессы в схеме периодически повторяются.
Длительности нахождения транзисторов в закрытом состоянии определяются постоянными времени для Q2 — T2 = С1·R2, для Q1 — T1 = C2·R3.
Номиналы R1 и R4 выбираются намного меньшие, чем R3 и R2, чтобы зарядка конденсаторов через R1 и R4 была быстрее, чем разрядка через R3 и R2. Чем больше будет время зарядки конденсаторов, тем положительней окажутся фронты импульсов. Но отношения R3/R1 и R2/R4 не должны быть больше, чем коэффициенты усиления соответствующих транзисторов, иначе транзисторы не будут открываться полностью.
Частота мультивибратора
Длительность одной из двух частей периода равна
Длительность периода из двух частей равна:
- ,
где
- f — частота в Гц,
- R2 и R3 — величины резисторов в омах,
- C1 и C2 — величины конденсаторов в фарадах,
- T — длительность периода (в данном случае, сумма двух частей периода).
В особом случае, когда
- t1 = t2 (50 % цикл),
- R2 = R3,
- C1 = C2,
См. также
Примечания
- ↑ Abraham, H.; E. Bloch. Mesure en valeur absolue des périodes des oscillations électriques de haute fréquence (фр.) // Annales de Physique : magazine. — Paris: Société Française de Physique, 1919. — Vol. 9, no 1. — P. 237—302. — doi:10.1051/jphystap:019190090021100. Архивировано 2 июня 2018 года.
- ↑ http://library.espec.ws/books/constructor/Part1/1-3.htm Архивная копия от 8 октября 2009 на Wayback Machine Расширители импульсов
- ↑ http://cxem.net/beginner/beginner27.php Архивная копия от 5 августа 2009 на Wayback Machine Расширители импульсов
Литература
- Манаев Е. И. Основы радиоэлектроники. — М.: Радио и связь, 1990. — С. 322—325. — ISBN 5-256-00408-5.