Резистор

б) принятое в США
Рези́стор (англ. resistor, от лат. resisto — сопротивляюсь), также сопротивление[1] — пассивный элемент электрических цепей, обладающий определённым постоянным или переменным значением электрического сопротивления, предназначенный для линейного преобразования силы тока в напряжение и напряжения в силу тока, ограничения тока, поглощения электрической энергии[2] и других видов перераспределения электрической энергии[3]. Широко используемый компонент практически всех электрических и электронных устройств.
Постоянные резисторы с проволочными выводами
Переменный резистор
Подстроечные резисторы
Прецизионный многооборотный подстроечный резистор
Резисторы для поверхностного монтажа (SMD)
Реальный резистор в схемотехнике. Частотные свойства резисторов

Эквивалентная схема реального резистора с учётом паразитных параметров на низких частотах имеет вид параллельно соединённых сопротивления и паразитной ёмкости. На высоких частотах последовательно с этой цепью включают паразитную индуктивность, которой, впрочем, для высокоомных резисторов можно по-прежнему пренебречь. На ещё более высоких частотах реактивные параметры резистора являются распределёнными, и эквивалентной схемой незаземлённого гладкого непроволочного резистора, длина которого меньше длины волны, является схема отрезка линии с последовательно включенными погонной индуктивностью (доли мкГн/см) и сопротивлением и параллельно им подключенной погонной ёмкостью (до единиц пФ/см)[6].
Активное сопротивление резистора, индуктивностью которого можно пренебречь, с учётом его паразитной ёмкости, определяется соотношением: [6].
Таким образом, активное сопротивление отличается от номинального не более, чем на 1 % и практически не зависит от частоты при а уменьшается не более, чем на 10 % от номинального, при [6].
Также уменьшение активного сопротивления на высоких частотах вызывается ростом потерь в диэлектриках, использованных в конструкции резистора, теоретический учёт которых затруднён, и на практике пользуются графиками, построенными по результатам опытов[6].
Для сопротивлений менее 300 Ом индуктивная составляющая реактивного сопротивления всегда больше ёмкостной, поэтому на высоких частотах (порядка 100 МГц) проявляются резонансные свойства резистора, и может наблюдаться максимум полного сопротивления[7].
Поверхностный эффект пренебрежимо мал у тонкослойных резисторов и заметно влияет на активную составляющую полного сопротивления только у объёмных (композитных) резисторов[7].
По характеру ВАХ все резисторы делятся на линейные и нелинейные[3]. Сопротивления линейных резисторов не зависят от приложенного напряжения или протекающего тока. Сопротивления нелинейных резисторов изменяются в зависимости от значения приложенного напряжения или протекающего тока (варисторы и бареттеры), либо от температуры (термисторы) или освещённости (фоторезисторы). Например, сопротивление осветительной лампы накаливания при отсутствии тока в 10—15 раз меньше, чем в номинальном режиме. В линейных резистивных цепях форма тока совпадает с формой напряжения.
Основные характеристики и параметры резисторов
- Номинальное сопротивление — основной параметр.
- Предельная рассеиваемая мощность.
- Температурный коэффициент сопротивления.
- Допустимое отклонение сопротивления от номинального значения (технологический разброс в процессе изготовления).
- Предельное рабочее напряжение.
- Избыточный шум.
- Максимальная температура окружающей среды для номинальной мощности рассеивания.
- Влагоустойчивость и термостойкость.
- Коэффициент напряжения. Учитывает явление зависимости сопротивления некоторых видов резисторов от приложенного напряжения.
Определяется по формуле: , где и — сопротивления, измеренные при напряжениях, соответствующих -ной и -ной номинальной мощности рассеяния резистора[8].
Некоторые характеристики существенны при проектировании устройств, работающих на высоких и сверхвысоких частотах, это:
- Паразитная ёмкость.
- Паразитная индуктивность.
Обозначение резисторов на схемах
По стандартам России условные графические обозначения резисторов на схемах должны соответствовать ГОСТ 2.728-74. В соответствии с ним, постоянные резисторы обозначаются следующим образом:
| Обозначение по ГОСТ 2.728-74 |
Описание |
|---|---|
| Постоянный резистор без указания номинальной мощности рассеивания | |
| Постоянный резистор номинальной мощностью рассеивания 0,05 Вт | |
| Постоянный резистор номинальной мощностью рассеивания 0,125 Вт | |
| Постоянный резистор номинальной мощностью рассеивания 0,25 Вт | |
| Постоянный резистор номинальной мощностью рассеивания 0,5 Вт | |
| Постоянный резистор номинальной мощностью рассеивания 1 Вт | |
| Постоянный резистор номинальной мощностью рассеивания 2 Вт | |
| Постоянный резистор номинальной мощностью рассеивания 5 Вт |
Переменные, подстроечные и нелинейные резисторы обозначаются следующим образом:
| Обозначение по ГОСТ 2.728-74 |
Описание |
|---|---|
![]() |
Переменный резистор (потенциометр). |
![]() |
Переменный резистор в реостатном включении |
![]() |
Подстроечный резистор. |
| Подстроечный резистор в реостатном включении | |
![]() |
Варистор (сопротивление зависит от приложенного напряжения). |
![]() |
Термистор (сопротивление зависит от температуры). |
| Фоторезистор (сопротивление зависит от освещённости). |
Цепи, состоящие из резисторов
Если цепь можно разбить на вложенные подблоки, последовательно или параллельно включённые между собой, то сначала считают сопротивление каждого подблока, потом заменяют каждый подблок его эквивалентным сопротивлением, таким образом находится общее (искомое) сопротивление. Для расчёта таких цепей из резисторов, которые нельзя разбить на блоки, последовательно или параллельно соединённые между собой, применяют правила Кирхгофа, метод контурных токов и метод наложения. Иногда для упрощения расчётов бывает полезно использовать преобразование треугольник-звезда и применять принципы симметрии.
При последовательном соединении резисторов их сопротивления складываются

Если , то общее сопротивление равно:
При последовательном соединении резисторов их общее сопротивление будет больше наибольшего из сопротивлений.
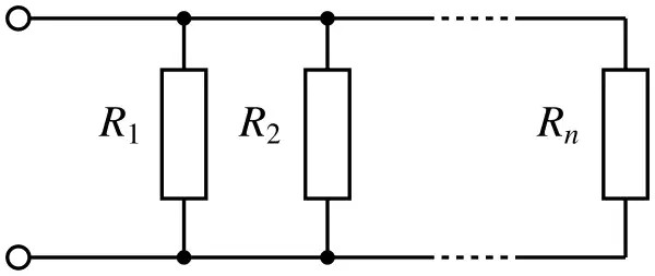
При параллельном соединении резисторов складываются величины, обратные сопротивлению (то есть общая проводимость складывается из проводимостей каждого резистора )
Для двух параллельно соединённых резисторов их общее сопротивление равно: .
Если , то общее сопротивление равно:
При параллельном соединении резисторов их общее сопротивление будет меньше наименьшего из сопротивлений.
При смешанном соединении схема состоит из двух параллельно включённых блоков, один из них состоит из последовательно включённых резисторов и , общим сопротивлением , другой из резистора ,

Общая проводимость будет равна , то есть общее сопротивление .
Как при параллельном, так и при последовательном соединении резисторов итоговая мощность, рассеиваемая в цепи, будет равна сумме мощностей, рассеиваемых на каждом из резисторов.
Классификация резисторов
Проволочный резистор с отводом
Плёночный угольный резистор (часть защитного покрытия удалена для демонстрации токопроводящего слоя)
Резисторы являются элементами электронной аппаратуры и могут применяться как дискретные компоненты или как составные части интегральных микросхем. Дискретные резисторы классифицируются по назначению, виду ВАХ, по способу защиты и по способу монтажа, характеру изменения сопротивления, технологии изготовления[9].
По назначению[3]:
- резисторы общего применения;
- резисторы специального применения:
- высокоомные (сопротивления от десятка МОм до единиц ТОм, рабочие напряжения 100—400 В);
- высоковольтные (рабочие напряжения — десятки кВ);
- высокочастотные (имеют малые собственные индуктивности и ёмкости, рабочие частоты до сотен МГц);
- прецизионные и сверхпрецизионные (отличаются повышенной точностью номинального значения и стабильностью: допуск 0,001 — 1 %).
По характеру изменения сопротивления:
- постоянные резисторы;
- переменные регулировочные резисторы;
- переменные подстроечные резисторы.
По материалу резистивного элемента[3]:
- тонкослойные на изоляционном основании:
- углеродистые;
- металлоплёночные:
- металлизированные;
- металлокисные;
- керметные;
- композиционные (объёмные);
- проволочные и микропроволочные;
- полупроводниковые.
По способу защиты от влаги[3]:
- неизолированные;
- изолированные-лакированные;
- компаундированные;
- опрессованные в пластмассу;
- герметизированные;
- вакуумные.
По способу монтажа:
- для печатного монтажа;
- для навесного монтажа;
- для микросхем и микромодулей.
По виду вольт-амперной характеристики:
- линейные резисторы;
- нелинейные резисторы:
- варисторы — сопротивление зависит от приложенного напряжения;
- терморезисторы — сопротивление зависит от температуры;
- фоторезисторы — сопротивление зависит от освещённости;
- тензорезисторы — сопротивление зависит от деформации резистора;
- магниторезисторы — сопротивление зависит от величины магнитного поля.
- мемристоры (разрабатываются) — сопротивление зависит от протекавшего через него заряда (интеграла тока за время работы).
Проволочные резисторы наматываются из проволоки или ленты с высоким удельным сопротивлением на какой-либо каркас. Обычно имеют значительную паразитную индуктивность. Для снижения паразитной индуктивности почти всегда выполняются с бифилярной намоткой. Высокоомные малогабаритные проволочные резисторы иногда изготавливают из микропровода[10].
Резистивный элемент непроволочных резисторов представляет собой объёмную структуру физического тела или поверхностного слоя, образованного на изоляционных деталях (тонкую плёнку металлического сплава или композитного материала с высоким удельным сопротивлением, низким коэффициентом термического сопротивления, обычно нанесённую на цилиндрический керамический сердечник). Концы сердечника снабжены напрессованными металлическими колпачками с проволочными выводами для монтажа. Иногда, для повышения сопротивления, в плёнке исполняется винтовая канавка для формирования спиральной конфигурации проводящего слоя. Сейчас это наиболее распространённый тип резисторов для монтажа в отверстия печатных плат. По такому же принципу выполнены резисторы в составе гибридной интегральной микросхемы: в виде металлических или композитных плёнок, нанесённых на обычно керамическую подложку методом напыления в вакууме или трафаретной печати[10].
Углеродистые резисторы изготавливаются в виде плёночных и объёмных. Плёнки или резистивные тела представляют собой смеси графита с органическими или неорганическими веществами.
В металлоплёночных и металлоокисных резисторах в качестве резистивного материала используется тонкая металлическая лента.
Резистивный элемент интегральных резисторов — слаболегированный полупроводник, формируемый в кристалле микросхемы, обычно в виде зигзагообразного канала, изолированного от других цепей микросхемы p-n переходом. Такие резисторы имеют большую нелинейность вольт-амперной характеристики. В основном используются в составе интегральных монокристаллических микросхем, где применить другие типы резисторов принципиально невозможно.
Резисторы общего и специального назначения

Резисторы общего назначения используют в качестве анодных нагрузок радиоламп, коллекторных нагрузок транзисторов, для установки рабочей точки активного элемента схемы, в качестве делителей в цепях питания, элементов фильтров, регуляторов громкости и тембра, в цепях формирования импульсов, в измерительных приборах невысокой точности. В эту группу входят постоянные резисторы, сопротивление которых фиксируется при изготовлении, и переменные, сопротивление которых можно плавно менять в некоторых пределах. Сопротивление резисторов общего назначения лежит в пределах от 10 Ом до 10 МОм, а номинальная мощность рассеивания — от 0,125 до 100 Вт.
К резисторам специального назначения, обладающим рядом специфических свойств и параметров, относят высокоомные, высоковольтные, высокочастотные, прецизионные, полупрецизионные.
- Высокоомные резисторы выполняют преимущественно композиционного типа с сопротивлением до 1013 Ом и используют в устройствах для измерения малых токов. Номинальная мощность рассеивания их обычно не указывается, а рабочие напряжения составляют 100—300 Вольт.
- Высоковольтные резисторы с сопротивлением до 1011 Ом, но большей мощности и более крупные по размерам, чем высокоомные, используют для делителей напряжения, эквивалентов антенн, искрогашения, разряда конденсаторов фильтров. Наиболее распространенные их типы имеют рабочие напряжения в диапазоне 10-35 кВ.
- Высокочастотные резисторы предназначены для схем, работающих на частотах свыше 10 МГц, используются в качестве согласующих нагрузок, аттенюаторов, эквивалентов антенн, элементов волноводов, обладают малой собственной ёмкостью и индуктивностью. При искусственном охлаждении их номинальные мощности составляют 5, 20, 50 Вт.
- Прецизионные и полупрецизионные резисторы, применяемые в точных измерительных устройствах, вычислительных машинах, релейных системах, магазинах сопротивлений отличаются высокой точностью изготовления, имеют повышенную стабильность основных параметров и часто выполняются герметизированными. Номинальные сопротивления их от 1 Ом до 1 МОм, а номинальные мощности рассеивания не более 2 Вт[11][12].
Резисторы, выпускаемые промышленностью
Выпускаемые промышленностью резисторы одного и того же номинала имеют разброс сопротивлений. Значение возможного разброса определяется точностью резистора. Выпускают резисторы с допуском ±20 %, 10 %, 5 %, и т. д. вплоть до 0,01 %[13]. Номиналы резисторов выбираются из специальных рядов, наиболее часто из номинальных рядов E6 (допуск 20 %), E12 (10 %) или E24 (5 %), для более точных резисторов используются более точные ряды (например E48).
Резисторы, выпускаемые промышленностью, характеризуются также определённым значением максимальной рассеиваемой мощности (выпускаются резисторы мощностью 0,125 Вт, 0,25 Вт, 0,5 Вт, 1 Вт, 2 Вт, 5 Вт) (согласно ГОСТ 24013-80 и ГОСТ 10318-80 советской радиотехнической промышленностью выпускались резисторы следующих номиналов мощностей, в ваттах: 0,01, 0,025, 0,05, 0,062, 0,125, 0,5, 1, 2, 3, 4, 5, 8, 10, 16, 25, 40, 63, 100, 160, 250, 500)[14]
Маркировка цветными полосками



Особый случай маркировки — перемычки нулевого сопротивления с чёрной (0) полоской по центру.
Используются вместо кусков проволоки для сокращения расходов на перенастройку сборочных автоматов.
Резисторы, в особенности малой мощности — мелкие детали, резистор мощностью 0,125 Вт имеет длину несколько миллиметров и диаметр порядка миллиметра. Прочитать на такой детали номинал с десятичной запятой трудно, поэтому при указании номинала вместо десятичной точки пишут букву, соответствующую единицам измерения (К — для килоомов; М — для мегаомов; E, R или без указания единиц — для единиц Ом). Кроме того, любой номинал отображается максимум тремя символами. Например, 4K7 обозначает резистор сопротивлением 4,7 кОм, 1R0 — 1 Ом, М12 — 120 кОм (0,12 МОм) и т. д. Однако в таком виде наносить номиналы на маленькие резисторы сложно, и для них применяют маркировку цветными полосами.
Для резисторов с точностью 20 % используют маркировку с тремя полосками, для резисторов с точностью 10 % и 5 % — маркировку с четырьмя полосками, для более точных резисторов — с пятью или шестью полосками. Первые две полоски всегда означают первые два знака номинала. Если полосок 3 или 4, третья полоска означает десятичный множитель, то есть степень десятки, которая умножается на число, состоящее из двух цифр, указанное первыми двумя полосками. Если полосок 4, последняя указывает точность резистора. Если полосок 5, третья означает третий знак сопротивления, четвёртая — десятичный множитель, пятая — точность. Шестая полоска, если она есть, указывает температурный коэффициент сопротивления (ТКС). Если эта полоска в 1,5 раза шире остальных, то она указывает надёжность резистора (доля отказов в процентах на 1000 часов работы).
Иногда встречаются резисторы с 5 полосами, но стандартной (5 или 10 %) точностью. В этом случае первые две полосы задают первые знаки номинала, третья — множитель, четвёртая — точность, а пятая — температурный коэффициент.
| Цвет | число | десятичный множитель | точность в % | ТКС в ppm/°C | % отказов |
|---|---|---|---|---|---|
| серебристый | — | 1·10−2 = «0,01» | 10 | — | — |
| золотой | — | 1·10−1 = «0,1» | 5 | — | — |
| чёрный | 0 | 1·100 = 1 | — | — | — |
| коричневый | 1 | 1·101 = «10» | 1 | 100 | 1 % |
| красный | 2 | 1·10² = «100» | 2 | 50 | 0,1 % |
| оранжевый | 3 | 1·10³ = «1000» | — | 15 | 0,01 % |
| жёлтый | 4 | 1·104 = «10 000» | — | 25 | 0,001 % |
| зелёный | 5 | 1·105 = «100 000» | 0,5 | — | — |
| синий | 6 | 1·106 = «1 000 000» | 0,25 | 10 | — |
| фиолетовый | 7 | 1·107 = «10 000 000» | 0,1 | 5 | — |
| серый | 8 | 1·108 = «100 000 000» | 0,05 | — | — |
| белый | 9 | 1·109 = «1 000 000 000» | — | 1 | — |
| отсутствует | — | — | 20 % | — | — |
- Пример
- Допустим, на резисторе имеются четыре полосы: коричневая, чёрная, красная и золотая. Первые две полоски дают 1 0, третья 100, четвёртая даёт точность 5 %, итого — резистор сопротивлением 10·100 Ом = 1 кОм, с точностью ±5 %.
Запомнить цветную кодировку резисторов нетрудно: после чёрной 0 и коричневой 1 идёт последовательность цветов радуги. Так как маркировка была придумана в англоязычных странах, голубой и синий цвета не различаются.
Также для облегчения запоминания можно воспользоваться мнемоническим правилом: «Часто Каждый Красный Охотник Желает Знать, Сколько Фазанов Село в Болоте».
Для облегчения различные разработчики программного обеспечения создают программы, которые определяют сопротивление резистора.
Поскольку резистор — симметричная деталь, может возникнуть вопрос: «Начиная с какой стороны читать полоски?» Для четырёхполосной маркировки обычных резисторов с точностью 5 и 10 % вопрос решается просто: золотая или серебряная полоска всегда стоит в конце. Для трёхполосочного кода первая полоска стоит ближе к краю резистора, чем последняя. Для других вариантов важно, чтобы получалось значение сопротивления из номинального ряда, если не получается, нужно читать наоборот (для резисторов МЛТ-0,125 производства СССР с 4 полосками первой является полоска, нанесённая ближе к краю; обычно она находится на металлическом стаканчике вывода, а остальные три — на более узком керамическом теле резистора). В резисторах Panasonic с пятью полосами резистор располагается так, чтобы отдельно стоящая полоска была справа, при этом первые 2 полоски определяют первые два знака, третья полоса — степень множителя, четвёртая полоса — допуск, пятая полоса — область применения резистора.
Маркировка SMD-резисторов
- SMD-резисторы
Устройство и габариты
резистор-перемычка
10 кОм, 1%
сборка 4,7 кОм
390 Ом
Резисторы нулевого сопротивления (перемычки на плате) кодируются одной цифрой «0» или тремя («000»). Иногда нули имеют прямоугольную форму.
Кодирование 3 или 4 цифрами
- ABC обозначает AB•10C Ом, например 102 — это 10•10² Ом = 1 кОм
- ABCD обозначает ABC•10D Ом, точность 1 % (ряд E96), например 1002 — это 100•10² Ом = 10 кОм
Кодирование цифра-цифра-буква (JIS-C-5201)
Ряд E96, точность 1 %.
Мантисса m значения сопротивления кодируется 2 цифрами (см. таблицу), степень при 10 кодируется буквой.
Примеры: 09R = 12,1 Ом; 80E = 6,65 МОм; все 1 %.
- S или Y = 10−2
- R или X = 10−1
- A = 100 = 1
- B = 101
- C = 10²
- D = 10³
- E = 104
- F = 105
| код | m | код | m | код | m | код | m | код | m | код | m | |||||
|---|---|---|---|---|---|---|---|---|---|---|---|---|---|---|---|---|
| 01 | 100 | 17 | 147 | 33 | 215 | 49 | 316 | 65 | 464 | 81 | 681 | |||||
| 02 | 102 | 18 | 150 | 34 | 221 | 50 | 324 | 66 | 475 | 82 | 698 | |||||
| 03 | 105 | 19 | 154 | 35 | 226 | 51 | 332 | 67 | 487 | 83 | 715 | |||||
| 04 | 107 | 20 | 158 | 36 | 232 | 52 | 340 | 68 | 499 | 84 | 732 | |||||
| 05 | 110 | 21 | 162 | 37 | 237 | 53 | 348 | 69 | 511 | 85 | 750 | |||||
| 06 | 113 | 22 | 165 | 38 | 243 | 54 | 357 | 70 | 523 | 86 | 768 | |||||
| 07 | 115 | 23 | 169 | 39 | 249 | 55 | 365 | 71 | 536 | 87 | 787 | |||||
| 08 | 118 | 24 | 174 | 40 | 255 | 56 | 374 | 72 | 549 | 88 | 806 | |||||
| 09 | 121 | 25 | 178 | 41 | 261 | 57 | 383 | 73 | 562 | 89 | 825 | |||||
| 10 | 124 | 26 | 182 | 42 | 267 | 58 | 392 | 74 | 576 | 90 | 845 | |||||
| 11 | 127 | 27 | 187 | 43 | 274 | 59 | 402 | 75 | 590 | 91 | 866 | |||||
| 12 | 130 | 28 | 191 | 44 | 280 | 60 | 412 | 76 | 604 | 92 | 887 | |||||
| 13 | 133 | 29 | 196 | 45 | 287 | 61 | 422 | 77 | 619 | 93 | 909 | |||||
| 14 | 137 | 30 | 200 | 46 | 294 | 62 | 432 | 78 | 634 | 94 | 931 | |||||
| 15 | 140 | 31 | 205 | 47 | 301 | 63 | 442 | 79 | 649 | 95 | 953 | |||||
| 16 | 143 | 32 | 210 | 48 | 309 | 64 | 453 | 80 | 665 | 96 | 976 |
Кодирование буква-цифра-цифра
Ряды E24 и E12, точность 2 %, 5 % и 10 %. (Ряд E48 не используется).
Степень при 10 кодируется буквой (так же, как для 1%-х сопротивлений, см. список выше), мантисса m значения сопротивления и точность кодируются 2 цифрами (см. таблицу).
Примеры:
- 2 %, 1,00 Ом = S01
- 5 %, 1,00 Ом = S25
- 5 %, 510 Ом = A42
- 10 %, 1,00 Ом = S49
- 10 %, 820 кОм = D60
| 2 % | 5 % | 10 % | |||||
|---|---|---|---|---|---|---|---|
| код | m | код | m | код | m | ||
| 01 | 100 | 25 | 100 | 49 | 100 | ||
| 02 | 110 | 26 | 110 | 50 | 120 | ||
| 03 | 120 | 27 | 120 | 51 | 150 | ||
| 04 | 130 | 28 | 130 | 52 | 180 | ||
| 05 | 150 | 29 | 150 | 53 | 220 | ||
| 06 | 160 | 30 | 160 | 54 | 270 | ||
| 07 | 180 | 31 | 180 | 55 | 330 | ||
| 08 | 200 | 32 | 200 | 56 | 390 | ||
| 09 | 220 | 33 | 220 | 57 | 470 | ||
| 10 | 240 | 34 | 240 | 58 | 560 | ||
| 11 | 270 | 35 | 270 | 59 | 680 | ||
| 12 | 300 | 36 | 300 | 60 | 820 | ||
| 13 | 330 | 37 | 330 | ||||
| 14 | 360 | 38 | 360 | ||||
| 15 | 390 | 39 | 390 | ||||
| 16 | 430 | 40 | 430 | ||||
| 17 | 470 | 41 | 470 | ||||
| 18 | 510 | 42 | 510 | ||||
| 19 | 560 | 43 | 560 | ||||
| 20 | 620 | 44 | 620 | ||||
| 21 | 680 | 45 | 680 | ||||
| 22 | 750 | 46 | 750 | ||||
| 23 | 820 | 47 | 820 | ||||
| 24 | 910 | 48 | 910 | ||||
Некоторые дополнительные свойства резисторов
Зависимость сопротивления от температуры
Сопротивление металлических, в том числе проволочных, резисторов зависит от температуры практически линейно: . Коэффициент называют температурным коэффициентом сопротивления (ТКС). Такая зависимость сопротивления от температуры позволяет использовать резисторы в качестве термометров. Сопротивление полупроводниковых резисторов (терморезистров) может зависеть от температуры сильнее, возможно, даже экспоненциально по закону Аррениуса, однако в практическом диапазоне температур и эту экспоненциальную зависимость можно заменить линейной.
Шум резисторов
При температуре выше абсолютного нуля любой резистор является источником электрического шума даже если к нему не приложено внешнее напряжение. Это следует из фундаментальной флуктуационно-диссипационной теоремы (в применении к электрическим цепям это утверждение известно также как теорема Найквиста).
При частоте, существенно меньшей чем где — постоянная Больцмана, — абсолютная температура резистора выраженная в кельвинах, — постоянная Планка, спектр теплового шума плоский, то есть не зависит от частоты («белый шум»), спектральная плотность шума (преобразование Фурье от коррелятора напряжений шума) , где Отсюда эффективное напряжение шума на резисторе будет где — ширина полосы частот в которой производится измерение. Чем больше сопротивление резистора, тем больше эффективное напряжение шума пропорциональное квадратному корню из сопротивления, также, эффективное напряжение шума пропорционально корню из температуры.
Даже при абсолютном нуле температур у резисторов, составленных из квантовых точечных контактов, будет иметься шум, обусловленный Ферми-статистикой. Устраним путём последовательного и параллельного включения нескольких контактов.
Уровень шума реальных резисторов выше. В шуме реальных резисторов также всегда присутствует компонент, интенсивность которого пропорциональна обратной частоте, то есть так называемый шум типа или «розовый шум». Этот шум возникает из-за множества причин, одна из главных — перезарядка ионов примесей, на которых локализованы электроны.
Шумы резисторов также возрастают при прохождении через них тока.
В переменных резисторах имеются так называемые «механические» шумы, возникающие при работе подвижных контактов.
Неисправности резисторов

Основным критерием работоспособности постоянных резисторов считают стабильность их сопротивления. Для переменных резисторов более важным критерием работоспособности является сохранение нормальной регулировочной функции. Допустимые критические изменения сопротивления зависят от вида и назначения аппаратуры, а также места резисторов в схеме.
Причина отказов и их характер связаны с конструктивными особенностями резисторов и специфичны для каждого типа. Наиболее характерными причинами отказов из-за неправильного применения резисторов являются:
- неправильный выбор типа резистора из расчёта предельно допустимой мощности нагрузки без запаса и учёта того, что критическая нагрузка может оказаться превышенной в результате изменения параметров других компонентов схемы
- нагрузка высокоомных резисторов допустимой для данного типа мощностью без учёта предельного напряжения
- превышение длительности импульсов или средней мощности нагрузки при работе в импульсном режиме без учёта ограничений, оговариваемых для этого режима
- установление режима нагрузки без поправок на пониженное атмосферное давление или повышенную температуру окружающей среды
- неправильное крепление[15].
См. также
Примечания
- ↑ составитель В. А. Данилюк. Справочник радиолюбителя / под ред. к. т. н. В. В. Мельникова. — Свердловск: Свердловское книжное издательство, 1961. — С. 47. — 838 с.
- ↑ ГОСТ Р 52002-2003
- 1 2 3 4 5 СправЭл, 1977, с. 259.
- ↑ Кучумов А. И. Электроника и схемотехника: учебн. пособ. — М.: Гелиос АРВ, 2011. — 336 с.
- ↑ Новожилов О. П. Электротехника и электроника. Учебник для бакалавров. — 2-е изд., испр. и доп. — М.: ЮРАЙТ, 2013.
- 1 2 3 4 СправЭл, 1977, с. 263.
- 1 2 СправЭл, 1977, с. 264.
- ↑ Гусев В. Г. Гусев, Ю. М. Электроника . — М.: Высшая школа, 1991. — С. 12. — ISBN 5-06-000681-6.
- ↑ Аксёнов А. И., Нефедов А. В. . Элементы схем бытовой радиоаппаратуры. Конденсаторы. Резисторы. — С. 126.
- 1 2 Тищенко О. Ф., Киселёв Л. Т., Коваленко А. П. Элементы приборных устройств. Часть 1. Детали, соединения и передачи. — М.: Высшая школа, 1982. — С. 260.
- ↑ Белевцев, 1982, с. 55—64.
- ↑ Прецизионный резистор Архивная копия от 14 июля 2019 на Wayback Machine.
- ↑ ITC-Electronics — Прецизионные резисторы SMR1DZ и SMR3DZ. Дата обращения: 11 ноября 2008. Архивировано из оригинала 13 сентября 2014 года.
- ↑ А. А. Бокуняев, Н. М, Борисов, Р. Г. Варламов и др. Справочная книга радиолюбителя-конструктора. — М.: Радио и связь, 1990. — 624 с. — ISBN 5-256-00658-4.
- ↑ Белевцев, 1982, с. 60—61.
Литература
- Резисторы (справочник) / под ред. И. И. Четверткова . — М.: Энергоиздат, 1991.
- Аксенов А. И., Нефедов А. В. Элементы схем бытовой радиоаппаратуры. Конденсаторы. Резисторы: Справочник. — М.: Радио и связь, 1995. — 272 с. — (Массовая радиобиблиотека; Вып. 1203).
- Белевцев А.Т. Монтаж радиоаппаратуры и приборов / канд. техн. наук А.М. Бонч-Бруевич. — 2-е изд. — М.: Высшая школа, 1982. — 255 с.
- Справочник по элементам радиоэлектронных устройств / под ред. к. т. н. В. Н Дулина, М. С Жука. — М.: Энергия, 1977. — 576 с.
- Фролов А. Д. Радиодетали и узлы. — М.: Высшая школа, 1975. — С. 17—45. — 440 с. — (Учебное пособие для вузов).
Ссылки
- Цветовое кодирование резисторов и подбор номиналов из стандартного ряда
- Цветовая маркировка резисторов, конденсаторов и индуктивностей
- Программа для определения номинала резистора по цветовой маркировке
- Примеры расчёта цепи с резистором, общее описание, применение закона Ома
- Резисторы пусковых и пускорегулирующих реостатов
- ГОСТ 10318-80. Резисторы переменные. Основные параметры
- Классификация резисторов по используемым материалам и технологии изготовления
- Характеристики резисторов. Выбор по параметрам
- Расшифровка маркировок резисторов поверхностного монтажа
- http://www.eti.su/articles/elektrokomponenti/elektrokomponenti_1490.html
- http://radteh.ru/telepenza/27.html




