Транзисторно-транзисторная логика
Транзи́сторно-транзи́сторная ло́гика (ТТЛ, TTL) — разновидность цифровых логических микросхем, построенных на основе биполярных транзисторов и резисторов. Название транзисторно-транзисторный возникло из-за того, что транзисторы используются как для выполнения логических функций (например, И, ИЛИ), так и для усиления выходного сигнала (в отличие от резисторно-транзисторной и диодно-транзисторной логики).
Простейший базовый элемент ТТЛ выполняет логическую операцию И-НЕ, в принципе повторяет структуру ДТЛ-микросхем и в то же время за счёт использования многоэмиттерного транзистора объединяет свойства диода и транзисторного усилителя, что позволяет увеличить быстродействие, снизить потребляемую мощность и усовершенствовать технологию изготовления микросхемы.
ТТЛ получила широкое распространение в компьютерах, электронных музыкальных инструментах, а также в контрольно-измерительной аппаратуре и автоматике (КИП и А]). Благодаря широкому распространению ТТЛ входные и выходные цепи электронного оборудования часто выполняются совместимыми по электрическим характеристикам с ТТЛ. Максимальное напряжение в схемах с ТТЛ может достигать 24 В, однако, это приводит к большому уровню паразитного сигнала. Достаточно малый уровень паразитного сигнала при сохранении достаточной эффективности достигается при напряжении 5 В, поэтому данное значение и вошло в технический регламент ТТЛ.
ТТЛ стала популярной среди разработчиков электронных систем после того, как в 1965 году компания Texas Instruments представила серию интегральных микросхем 7400. Данная серия микросхем стала промышленным стандартом, но ТТЛ-микросхемы производятся и другими компаниями. Более того, фирма Texas Instruments не была первой, кто начал выпуск ТТЛ-микросхем, несколько ранее его начали фирмы Sylvania и Transitron. Тем не менее промышленным стандартом стала именно серия 74 фирмы Texas Instruments, что в значительной мере объясняется большими производственными мощностями фирмы Texas Instruments, а также её усилиями по продвижению серии 74. Поскольку биполярные ИМС серии 74 фирмы Texas Instruments стали наиболее распространёнными, их функционально и параметрически повторяет продукция других фирм (Advanced Micro Devices, серия 90/9N/9L/9H/9S Fairchild (англ.), Harris, Intel, Intersil, Motorola, National (англ.) и т. д).
Важность ТТЛ заключается в том, что ТТЛ-микросхемы оказались более пригодны для массового производства и при этом превосходили по параметрам ранее выпускавшиеся серии микросхем (резисторно-транзисторная и диодно-транзисторная логика).
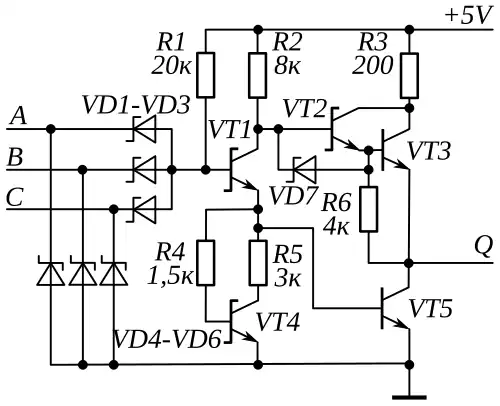
Принцип работы

Принцип работы ТТЛ с простым инвертором:
Биполярные транзисторы могут работать в режимах: отсечки, насыщения, нормально активный, инверсно активный. В инверсно активном режиме эмиттерный переход закрыт, а коллекторный переход открыт. В инверсном активном режиме коэффициент усиления транзистора по току значительно меньше, чем в нормальном режиме, из-за несимметричности конструктивного исполнения переходов база-коллектор и база-эмиттер, в частности, из-за разницы в их площадях и степени легирования коллекторного и эмиттерного слоёв полупроводника (подробнее о режимах работы биполярного транзистора см. Биполярный транзистор).
При нулевом потенциале на любом эмиттере многоэмиттерного транзистора VT1 он работает в нормальном режиме насыщения, так как в базу втекает ток резистора R1, поэтому потенциал коллектора VT1 и базы VT2 близок к нулю (Vбэ1 = (A|B=0) + 0,7В ≱ Vбк1 + Vбэ2, описано в этой статье на английском языке), что переводит VT2 в режим отсечки, поэтому на коллекторе VT2 потенциал близок к потенциалу источника питания Vcc, — на выходе элемента логическая 1. В этом состоянии изменение потенциала другого эмиттера не изменяет состояние элемента. Через эмиттер (вход), присоединённый к «земле» на землю вытекает ток I = (Vcc — 0,7)/R1, 0,7 В — падение напряжения на прямосмещённом эмиттерном переходе VT1.
Если отключить все эмиттеры, или подать на них напряжения логической 1 (более 2,4 В), то через прямосмещённый коллекторный переход VT1 в базу VT2 будет втекать ток резистора R1, I = (Vcc — 1,4)/R1, 1,4 В — сумма падений напряжений на прямосмещённом эмиттерном переходе VT2 и прямосмещённом коллекторном переходе VT1, при этом VT2 переходит в состояние насыщения, его коллекторный потенциал становится близок к нулю (логический 0).
Таким образом, на выходе будет логический 0 только если все входы имеют состояние логической 1, это соответствует логической функции И-НЕ.
ТТЛ имеет повышенное, по сравнению с ДТЛ-логикой быстродействие, даже если используемые транзисторы имеют равное быстродействие. Это обусловлено тем, что при переходе выхода из состояния логического нуля в логическую 1 транзистор выходит из насыщения, неосновные носители, накопленные в базе VT2 не только самопроизвольно рассасываются, но и стекают в коллектор насыщенного VT1 (как было ранее сказано, его потенциал близок к нулю). Типовая задержка на элемент ранних серий ТТЛ-микросхем около 22 нс.
Некоторые микросхемы в каждой серии ТТЛ изготавливаются без резистора R2, на выход выведен коллектор VT2, так называемые элементы с «открытым коллектором». Группу таких выходов можно электрически соединить, снабдив единственным внешним резистором, другим концом присоединённом к Vcc, при этом реализуется логическая функция «И» — такое соединение иногда называют «проводным И». На электрических принципиальных схемах в условном обозначении элементов с открытым коллектором используется дополнительный символ.
.svg.png)
ТТЛ-логика (как и ТТЛШ) является прямым наследником ДТЛ и использует тот же принцип действия. Входной ТТЛ-транзистор (в отличие от обычного) имеет несколько, обычно от 2 до 8, эмиттеров. Эти эмиттеры выполняют роль входных диодов (если сравнивать с ДТЛ). Многоэмиттерный транзистор по сравнению с применявшейся в схемах ДТЛ сборкой из отдельных диодов занимает меньше места на кристалле и обеспечивает более высокое быстродействие. В микросхемах ТТЛШ, начиная с серии 74LS, вместо многэмиттерного транзистора используется сборка диодов Шоттки (серия 74LS) или PNP транзисторы в сочетании с диодами Шоттки (серии 74AS, 74ALS), так что фактически произошёл возврат к ДТЛ. Название ТТЛ носят лишь серии 74, 74H, 74L, 74S, содержащие многоэмиттерный транзистор. Все более поздние серии многоэмиттерного транзистора не содержат, фактически являются ДТЛ и носят название ТТЛШ (ТТЛ Шоттки) лишь «по традиции», будучи развитием именно ДТЛ.
Транзисторно-транзисторная логика с диодами Шоттки (ТТЛШ)
В ТТЛШ используются диоды Шоттки, в которых барьер Шоттки не позволяет транзистору войти в режим насыщения, в результате чего диффузионная ёмкость мала, и задержки переключения малы, а быстродействие высокое. Такая комбинация (биполярный транзистор-диод Шоттки в цепи база-коллектор) считается отдельным компонентом — транзистором Шоттки — и имеет собственное обозначение на электрических принципиальных схемах.
ТТЛШ-логика отличается от ТТЛ наличием диодов Шоттки в цепях база — коллектор, что исключает насыщение транзистора, а также наличием демпфирующих диодов Шоттки на входах (редко на выходах) для подавления импульсных помех, образующихся из-за отражений в длинных линиях связи (длинной считается линия, время распространения сигнала в которой больше длительности его фронта, для самых быстрых ТТЛШ микросхем линия становится длинной, начиная с длины в несколько сантиметров).
Разновидности
Серии ТТЛ-микросхем зарубежного производства

В скобках указаны типовые значения времени задержки (Tpd) и потребляемой мощности (Pd) для каждой серии, взятые из документа SDAA010.PDF фирмы Texas Instruments, кроме 74F, для которой данные взяты из AN-661 фирмы Fairchild.
- 74 — базовая ТТЛ-серия. Несмотря на то, что была первой серией, выпускавшейся фирмой Texas Instruments, до сих пор находится в производстве ({Tpd = 10 нс, Pd = 10 мВт);
- 74L — серия с пониженным энергопотреблением, заменена серией LS, а также КМОП-микросхемами, значительно превосходящими её по экономичности (Tpd = 33 нс, Pd = 1 мВт);
- 74H — повышенная скорость. Использовалась в 1960-е — начале 1970-х годов и была заменена S-серией (Tpd = 6 нс, Pd = 22 мВт);
- 74S — с диодами Шоттки (Schottky). Хотя устарела (её превосходят серии 74AS и 74F), до сих пор производится фирмой Texas Instruments (Tpd = 3 нс, Pd = 19 мВт);
- 74LS — с диодами Шоттки и пониженным энергопотреблением (Low Power Schottky) (Tpd = 9 нс, Pd = 2 мВт);
- 74AS — улучшенная с диодами Шоттки (Advanced Schottky) (Tpd = 1,7 нс, Pd = 8 мВт);
- 74ALS — улучшенная с диодами Шоттки и пониженным энергопотреблением (Advanced Low Power Schottky) (Tpd = 4 нс, Pd = 1,2 мВт);
- 74F — быстрая (Fast) с диодами Шоттки (Fast) (Tpd = 1,7 нс, Pd = 4 мВт, в действительности 74F несколько уступает по быстродействию 74AS);
Префикс серии «74» обозначает коммерческий вариант микросхем, «54» — индустриальный или военный, с расширенным температурным диапазоном −55 °C...+125 °C. Тип корпуса, как правило, указывается последней буквой в обозначении, например для Texas Instruments тип корпуса пластиковый DIP кодируется буквой N (SN7400N).
Советские серии ТТЛ-микросхем
- 106 — ранняя серия ТТЛ-микросхем пониженной степени интеграции (не более 2 логических элементов в одном корпусе), предназначенная для тяжёлых условий эксплуатации (военная аппаратура, космос, и т. п.).
- 133 и 155 соответствуют сериям 54 и 74;
- 130, 131 — сериям 54H и 74H;
- 134, КР134 — сериям 54L и 74L;
- 136 и 158 — близки к сериям 54L и 74L, но имеют вдвое большее энергопотребление при несколько большем быстродействии;
- 530 и 531 — сериям 54S и 74S;
- 533 и 555 — сериям 54LS и 74LS;
- 1530, КР1530 — сериям 54AS и 74AS (приблизительное соответствие);
- 1531, КР1531 — сериям 54F и 74F;
- 1533, КР1533 — сериям 54ALS и 74ALS;
К131ЛА3, завод «Электронприбор» Фрязино
133ЛА3 военный вариант, завод «Планета» Великий Новгород
КМ155ЛА3, завод «Интеграл» Минск
И533КП11, завод «Светлана» Санкт-Петербург
Б533ТМ2 в кристаллоносителе, завод «Мезон» Кишинёв
Особенности применения микросхем с ТТЛ-логикой
При работе ТТЛ-логики наблюдаются достаточно сильные всплески токов (особенно на выходе), которые могут создавать паразитные наводки на цепях питания, приводя к сбоям самих ТТЛ-элементов. Для борьбы с этим явлением необходимо руководствоваться следующими правилами:
- Питание ТТЛ-микросхем организуется в виде двух шин (обычно из медных или латунных полос) с короткими отводами печатных дорожек к выводам питания. При многослойном монтаже выделяются отдельные слои для шин питания. Применение разветвлённых дорожек питания запрещено.
- Между шинами питания устанавливаются блокировочные конденсаторы с малой паразитной индуктивностью (керамические или слюдяные). Минимальная ёмкость, количество блокировочных конденсаторов определяется инструкцией по монтажу ТТЛ-микросхемы.
Не всегда все имеющиеся входы ТТЛ-элемента используются в конкретной схеме. Если по логике работы на входе необходим нулевой сигнал, то неиспользуемые входы соединяются с общим проводом.
- Для собственно ТТЛ-схемы неиспользуемые входы можно никуда не подключать, но из-за паразитной ёмкости будет появляться задержка прохождения сигнала (около 2 нс на один вход), кроме того, на неиспользуемые входы могут наводиться помехи. У ТТЛШ оставлять неподключёнными неиспользуемые входы запрещено.
- Можно соединить используемые и неиспользуемые входы (если это допустимо по схеме), но это увеличивает нагрузку на источник сигнала и также увеличивает задержку.
- Неиспользуемые входы можно присоединить к выходу инвертирующего элемента, входы которого подсоединяются к общему проводу.
- Неиспользуемые входы можно присоединить к источнику питания через резистор — для одних серий (количество одновременно подключаемых входов к одному резистору и величина этого сопротивления регламентируются соответствующими инструкциями) или непосредственно к питанию — для других.
См. также
Примечания
Ссылки
- http://www.inp.nsk.su/~kozak/ttl/ttlh01.htm Справочник по стандартным цифровым ТТЛ микросхемам