Ячейка Блэкмера
Яче́йка Блэ́кмера (англ. Blackmer [gain] cell) — схема электронного управляемого напряжением усилителя (УНУ, амплитудный модулятор) с экспоненциальной характеристикой управления, предложенная и доведённая до серийного выпуска Дэвидом Блэкмером в 1970—1973 годы[1]. Четырёхтранзисторное ядро схемы образовано двумя встречно включёнными токовыми зеркалами на комплементарных биполярных транзисторах. Входной транзистор каждого из зеркал логарифмирует входной ток, а выходной транзистор антилогарифмирует сумму логарифма входного тока и модулирующего напряжения. Логарифмирующие усилители, использующие фундаментальную экспоненциальную зависимость тока через pn-переход от напряжения на нём, были известны задолго до работ Блэкмера, но оперировали только напряжениями одной полярности и токами одного направления[2]. Новизна изобретения Блэкмера заключалась в раздельной, двухтактной обработке положительной и отрицательной полуволн переменного сигнала с помощью двух комплементарных цепей, что впервые позволило логарифмировать знакопеременные напряжения и токи[3].
Ячейка Блэкмера — исторически первая[1] схема прецизионного УНУ, пригодная для высококачественной записи и воспроизведения звука. Уже в 1970-е годы динамический диапазон регулирования серийных изделий составлял 110 дБ и более при низких, не более 0,01 %, нелинейных искажениях; во всём диапазоне регулирования действовала линейная зависимость между управляющим напряжением и логарифмом коэффициента усиления. Основными сферами применения схемы Блэкмера стали дистанционно управляемые микшерные пульты, студийные компрессоры аудиосигнала, микрофонные усилители и компандеры системы шумопонижения dbx. В 2010-е годы это одна из двух по-прежнему широко применяющихся в студийной и концертной аппаратуре схем этого рода[4][комм. 1].
Принцип действия


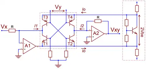
Четырёхтранзисторное ядро простейшей ячейки Блэкмера (на схеме обведено пунктиром) представляет собой два встречно включённых токовых зеркала. Нижнее зеркало, на npn-транзисторах Т1 и Т2, управляется втекающим входным током I1, а верхнее, на pnp-транзисторах Т3 и Т4 — вытекающим током I1. Модулируемое напряжение подаётся на вход Vx, управляющее (модулирующее) напряжение — на вход Vy. Операционные усилители A1, A2 поддерживают на коллекторах всех четырёх транзисторов нулевой потенциал виртуальной земли[5]. А1 преобразует модулируемое напряжение Vx во входной ток ядра I1, А2 преобразует выходной ток ядра I2 в выходное напряжение Vxy[5]. Сопротивления R в цепях обратной связи ОУ, задающие коэффициенты преобразования ток-напряжение и ограничивающие размах токов ядра, выбираются достаточно большими (100 кОм в ранних серийных микросборках, 10 кОм в позднейших сериях[6]). Ток покоя ядра Io задаёт внешняя, термостабилизированная цепь смещения. Напряжение на ядре, равное удвоенному напряжения покоя база-эмиттер, во всех режимах неизменно. Постоянство напряжений — характерное свойство то́ковых аналоговых схем: носителем аналогового сигнала в них служит ток, а потенциалы на выводах транзисторов остаются практически неизменны[7].
При заземлённых управляющих входах (Vy=0) ядро работает как двунаправленный повторитель тока, а ячейка в целом — как повторитель напряжения[комм. 2]. При подаче на вход Vx положительного напряжения выходное напряжение ОУ A1 уменьшается до уровня, при котором ток I1, втекающий в коллектор T1, точно равен Vx/R[8]. Так как напряжения база-эмиттер Т1 и Т2 равны, то коллекторный ток Т2 точно повторяет коллекторный ток Т1[8]. Этот ток (I2) преобразуется в выходное напряжение Vxy преобразователем на A2[9]. Так как ячейка изначально смещена в режим AB, то при переходе Vx через ноль выходной ток формируют оба зеркала, а при отрицательных Vx выходной ток генерируется зеркалом Т3, Т4[9].
При ненулевом управляющем напряжении Vy (диапазон его изменений составляет несколько сотен мВ[комм. 3]), приложенном между базами Т1 и Т2, напряжение база-эмиттер T2 увеличивается на величину Vy[8]. При положительном Vy ток I2 возрастает, а при отрицательном Vy убывает пропорционально экспоненте Vy:
где — температурный потенциал, пропорциональный абсолютной температуре pn-переходов, для кремния равный примерно 26 мВ при 300 К. Рост Vy на 26 мВ увеличивает коэффициент усиления в 2,718 раз, или на +8,6 дБ; уменьшение Vy на 26 мВ во столько же раз уменьшает Ку. Благодаря перекрёстными связям между базами четырёх транзисторов та же зависимость действует и для верхней пары транзисторов: при 300 К крутизна модулирующей характеристики составляет 0,33 дБ/мВ (или 3 мВ/дБ) и для положительных, и для отрицательных значений Vx. На практике столь высокая крутизна неудобна, и обычно ядро сопрягается с управляющим сигналом, измеряемым единицами В, через активный аттенюатор на малошумящем ОУ[10]. Использовать в этом качестве обычный делитель напряжения нельзя: источник управляющего сигнала должен иметь низкое внутреннее сопротивление, достижимое лишь в схемах на ОУ[10].
С ростом температуры крутизна характеристики, выраженная в дБ/мВ, уменьшается обратно пропорционально абсолютной температуре, а величина управляющего напряжения, необходимая для поддержания выбранного коэффициента усиления (мВ/дБ), возрастает. Простейший способ нейтрализации этой зависимости — использование шкалы управляющих напряжений, прямо пропорциональной абсолютной температуре. В аналоговых микшерских пультах эту роль выполняли пассивные цепи на терморезисторах с положительным температурным коэффициентом[11].
Нелинейные искажения
Важнейшие качественные показатели ячейки Блэкмера — уровень нелинейных искажений, уровень шума, и предельное подавление модулируемого сигнала (иначе, динамический диапазон регулирования) — взаимосвязаны между собой. Добиться наилучших показателей в одном изделии на практике невозможно; каждая серия микросхем оптимизируется под компромиссный набор критериев.
В серийных микросборках первого поколения коэффициент нелинейных искажений не опускался ниже 0,03 %, в позднейших, улучшенных вариантах в интегральном исполнении он был снижен до 0,001 % при выходном напряжении 1 В[10]. Нелинейные искажения простейшей ячейки Блэкмера порождаются тремя явлениями[12]:
- ошибкой логарифмирования из-за падения напряжения на ненулевых сопротивлениях баз и эмиттеров транзисторов;
- асимметрией верхней и нижней половин ядра;
- и нелинейностью входного преобразователя напряжения в ток[12].
Основной способ нейтрализации первых двух явлений — увеличение геометрических размеров транзисторов ядра[13]. Чем больше площадь эмиттерного перехода, тем меньше его сопротивление (в серийных ИС оно не превышает 1 Ом[14]), и тем меньше влияние технологического разброса при фотолитографии[15][комм. 4]. Рассогласование параметров транзисторов, обусловленное разницей их температур, предотвращается оптимальным размещением на кристалле[15]. Рассогласование параметров транзисторов, обусловленное технологическими различиями pnp- и npn-структур, на практике нейтрализуется балансировкой (симметрированием) верхнего и нижнего зеркал[15]. Для этого в цепь базы одного из выходных транзисторов вводится внешний постоянный ток, смещающий напряжение на базе на величину порядка нескольких десятков или сотен мкВ[17]. В идеале, это дополнительное напряжение смещения должно быть пропорционально абсолютной температуре[17]. В интегральных схемах 1980-х годов для балансировки использовались внешние потенциометры, в 1990-е годы цепь смещения, пропорционального абсолютной температуре, стали размещать непосредственно на кристалле[18]. Каждый кристалл балансируется индивидуальной лазерной подгонкой, но при последующем корпусировании настройка неизбежно сбивается[18]. Готовые микросхемы сортируются по ценовым группам в зависимости от степени разбалансировки, которая в свою очередь определяет коэффициент нелинейных искажений конкретного экземпляра[18].
Шум
Основной составляющей собственного шума ячейки Блэкмера является дробовой шум транзисторов ядра[19]. Понятие отношения сигнал-шум к ячейке Блэкмера не вполне применимо[20], так как помимо шума покоя (выходного шумового тока в отсутствие модулируемого сигнала), ячейка генерирует пульсирующие, промодулированные входным сигналом шумы, связанные с мгновенным значением входного сигнала нелинейной зависимостью[16]. Эти пульсирующие шумы содержат как дробовой шум, так и тепловые шумы транзисторов, и шумы источника управляющего напряжения. Чем ниже шум покоя, тем заметнее эти пульсации, по крайней мере, при инструментальных измерениях[1]; вопрос о заметности пульсаций шума на слух однозначного ответа не имеет[20]. Пульсации дробового и теплового шума устранить невозможно, но их заметность можно снизить намеренным увеличением шума покоя[21].
Уровень дробового шума транзистора пропорционален квадратному корню мгновенного значения его эмиттерного тока[22], поэтому для уменьшения шума покоя следует сместить ячейку в режим АВ и установить минимально возможное значение тока покоя[19]. Для уменьшения нелинейных искажений, особенно на высоких частотах, напротив, следует сместить ячейку в режим А, что неизбежно увеличивает мощность шума[19]. Например, в интегральных разработках THAT Corporation 1990-х годов изменение тока покоя ядра с 20 мкА (режим АВ) до 750 мкА (режим А) приводило к росту шума покоя на 17 дБ[16]. Оба подхода имеют свои достоинства и недостатки, единственно верного решения не существует[21].
Ячейка Блэкмера чрезвычайно чувствительна к шумам и прочим помехам, поступающим извне на управляющий вход: эти помехи, наложенные на управляющий сигнал, непосредственно модулируют выходной ток[20][23]. При относительно большом размахе модулируемого сигнала внешняя помеха преобладает над всеми собственными источниками шума; для этого достаточно, чтобы спектральная плотность помехи на управляющем входе составляла несколько нВ/Гц[24]. Такую, или бо́льшую, плотность шума напряжения, приведённую ко входу, имеет абсолютное большинство ОУ широкого применения. Очевидный, но всегда соблюдавшийся на практике способ минимизации таких помех — тщательное проектирование управляющей цепи[25][20]. Шумы и помехи в этой цепи следует искоренять столь же последовательно, как и шумы основного звукового канала[25].
Усовершенствованные варианты

Восьмитранзисторное ядро
Альтернативный балансировке способ симметрирования верхнего (pnp) и нижнего (npn) предложил Пол Бафф[20][комм. 5]. В ячейке Баффа последовательно с каждым из четырёх транзисторов ядра Блэкмера включен дополнительный транзистор противоположного типа проводимости в диодном включении[20]. В каждом из четырёх плеч ядра работает пара комплементарных транзисторов, что заметно снижает «врождённую» асимметрию блэкмеровской схемы. Крутизна управления восьмитранзисторной ячейки (6 мВ/дБ или 0,17 дБ/мВ) вдвое ниже, чем у базовой схемы[5][27][20]. Схема Баффа была реализована в полупроводниковых ИС EGC-101 и TA-101, выпускавшихся компаниями Allison Research и Valley People с 1980 года[20].
Второе полезное свойство введённых Баффом диодов — стабилизация петли обратной связи, охватывающей входные транзисторы ядра[20]. В обычном, четырёхтранзисторном, ядре петлевое усиление изменяется в столь широком диапазоне, что устойчивая работа входного ОУ возможна лишь в режиме AB[20]. Диоды (транзисторы в диодном включении) служат своего рода балластом, который снижает петлевое усиление входного контура до значений, при которых для надёжной стабилизации входного ОУ в наиболее сложном режиме А достаточно единственной корректирующей ёмкости малого номинала[28].
Коррекция ошибки логарифмирования
Теоретическая экспоненциальная зависимость тока через прямо смещённый эмиттерный переход от напряжения на нём на практике нарушается из-за падения напряжения на активных сопротивлениях базы и эмиттера (активным сопротивлением коллектора на практике можно пренебречь)[29]. При нулевом управляющем напряжении, если эффективные сопротивления[комм. 6] всех четырёх эмиттеров ядра совпадают, ошибки логарифмирования входных и выходных транзисторов взаимно компенсируются[29]. В любой иной точке нескомпенсированная ошибка логарифмирования порождает зависимость коэффициента передачи тока от его амплитуды, и как следствие, неблагозвучные нечётные гармоники в выходном сигнале[29].
Для нейтрализации ошибки логарифмирования применяется восьмитранзисторная модификация ячейки Блэкмера с перекрёстными обратными связями[20]. Величины добавочных сопротивлений R, при которых ошибки входных и выходных транзисторов компенсируют друг друга, равны 2Ree/α, где Ree — эффективное сопротивление эмиттера, α — коэффициент передачи тока в схеме с общей базой[14]. На практике такой подход позволяет нейтрализовать влияние сопротивлений эмиттеров (их величины практически постоянны во всех режимах), но не сопротивлений баз, которые изменяются в зависимости от протекающих токов[14]. Нейтрализовать «вклад» сопротивлений баз можно только уменьшением их абсолютных величин через увеличение геометрических размеров транзисторов[14]. В серийных микросхемах они столь велики, что для коррекции ошибки достаточно добавочных резисторов величиной не более 1 Ом[14].
Параллельное включение
При параллельном включении идентичных ядер Блэкмера, так же как и при параллельном включении транзисторов, входной и выходной токи возрастают пропорционально количеству ядер, а шумовая составляющая выходного тока — лишь пропорционально квадратному корню из количества[30]. Например, при включении четырёх ядер выходной ток возрастает в четыре раза, а ток шума — всего в два раза, следовательно, отношение сигнал-шум улучшается на 6 дБ[30]. На практике количество запараллеливаемых ядер ограничено как их стоимостью, так и сложностью согласования их рабочих точек[31]. В выпускавшейся серийно гибридной сборке dbx202x использовалось восемь параллельных ядер в интегральном исполнении, в сборке THAT2002 — четыре ядра[30].
Замена входного ОУ на усилитель с токовым выходом
Ячейка Блэкмера, в особенности смещённая в режим АВ, представляет собой сложную, нелинейную нагрузку для входного усилителя (А1 на принципиальной схеме)[32]. При использовании классического операционного усилителя петлевое усиление цепи, охватывающей входной ОУ, изменяется в зависимости от мгновенного значения тока через активные транзисторы ячейки[32]. ОУ широкого применения, охваченные глубокой отрицательной обратной связью, способны эффективно компенсировать нелинейность нагрузки лишь на низких частотах[32]. На верхних октавах звукового диапазона, по мере спада коэффициента усиления ОУ, нелинейные искажения возрастают до неприемлемых значений[32].
Нелинейность такого рода можно исключить, заменив усилитель с выходом по напряжению (ОУ) на усилитель с выходом по току (транскондуктивный усилитель)[32]. Петлевое усиления транскондуктивного усилителя, включённого вместо А1, не зависит от мгновенного значения тока (но по-прежнему зависит от коэффициента усиления ячейки, заданного управляющим напряжением)[32]. Такое решение применяется, например, в ИС THAT2181. По утверждению разработчика, входной усилитель этой схемы не привносит в сигнал заметных искажений вплоть до коэффициента усиления ячейки +20 дБ[33]. На меньших уровнях усиления заявленный коэффициент нелинейных искажений составляет не более 0,005 %, уровень шума при единичном усилении не хуже −97 dbV, диапазон регулирования усиления составляет 100 дБ при погрешности регулирования не более 2 % (130 дБ без ограничения по погрешности)[9].
Подавление прохождения управляющего сигнала на выход ячейки
В большинстве реальных применений ячейка Блэкмера эффективно подавляет прохождение управляющего сигнала на выход схемы. Однако при больших скоростях нарастания и спада управляющего сигнала он может замыкаться на выход схемы через коллекторные ёмкости выходных транзисторов ядра[23]. Противофазные импульсные токи помехи, проходящие через ёмкости двух транзисторов, компенсируют друг друга лишь частично; полная компенсация невозможна из-за неизбежной разницы емкостей pnp- и npn-транзисторов[23]. Особенно подвержены этим помехам восьмитранзисторные ячейки в режиме А[28]. Для полного подавления помехи на вход ОУ А2 подаётся ток, равный по величине разностному току помехи и противоположный ей по направлению[23]. Величина разделительной ёмкости, через которую подаётся этот ток, определяется опытным путём[23].
История разработки и применения
.jpg)
На рубеже 1960-х и 1970-х годов, по мере перехода студий звукозаписи на многоканальную магнитную запись, продюсеры и звукоинженеры столкнулись с ростом шума до неприемлемых в студийной технике уровней. Узкие дорожки многоканальных магнитофонов шумели больше, чем широкие дорожки их предшественников; большое число дорожек, используемых при сведении, лишь усугубляло проблему[34]. Одновременно, количество всевозможных электронных устройств в студиях выросло настолько, что управлять ими вручную стало затруднительно[34]. В отрасли возник спрос, с одной стороны, на системы шумопонижения, а с другой — на средства дистанционного управления студийным оборудованием[34]. Базовым электронным узлом, использовавшимся для обеих этих задач, был и остаётся управляемый напряжением усилитель (УНУ) — малошумящий, широкополосный амплитудный модулятор[34].
Первыми УНУ, широко распространившимися в звукотехнике, были дешёвые модуляторы на базе полевого транзистора в режиме управляемого сопротивления[35]. Эти узлы использовались, например, во всех вариантах бытовой системы шумопонижения Dolby B[35], но требованиям профессиональных звукоинженеров не удовлетворяли[35]. В 1968 году Барри Гилберт изобрёл схему УНУ на биполярных транзисторах одного типа проводимости, которая широко распространилась в радиотехнике; в 1971 году Дэвид Блэкмер предложил альтернативную конструкцию на комплементарных биполярных транзисторах, рассчитанную на высококачественную запись и воспроизведение звука[34]. При всех своих достоинствах у решения Блэкмера был принципиальный недостаток: в 1970-е годы оно, в отличие от ячейки Гилберта, не могло быть реализовано в интегральном исполнении[36].
В 1973 году основанная Блэкмером компания dbx, Inc. вывела на рынок первую микросборку его схемы, dbx202[1]. За характерный вид корпуса американские звукоинженеры прозвали её «чёрной банкой», англ. black can)[6]. В dbx202 использовались четвёрки тщательно подобранных дискретных транзисторов в металлических корпусах[1]. Транзисторы запрессовывались в керамическую обойму, служившую общим «термостатом», и распаивались на текстолитовую плату, которая в свою очередь запрессовывалась в «чёрную банку»[1]. По утверждениям компании, уровень тепловой инерции конструкции был таков, что неизбежные для схемы Блэкмера тепловые искажения проявлялись только на самых нижних звуковых частотах[1]. В 1978 году была выпущена восьмитранзисторная dbx202C с цепью коррекции ошибки логарифмирования; коэффициент нелинейных искажений (Кни) удалось снизить с 0,03 % до 0,01 %, а диапазон регулирования вырос с 110 до 116 дБ[1]. В 1980 году на рынок вышла работающая в режиме А ИС dbx2001[1] (разработчик — Роберт Адамс[37]). Заявленный коэффициент нелинейных искажений снизился до менее 0,001 %; уровень шума и диапазон регулирования были, напротив, хуже чем у аналогов в режиме АВ[1].
К этому времени планарные микроэлектронные технологии вышли на уровень, позволивший формировать на одном кристалле качественные комплементарные пары npn- и pnp-транзисторов. Первую полупроводниковую ИС ячейки Блэкмера вывела на рынок компания Allison Research. Спроектированная Полом Баффом ИС ECG-101, фактически представлявшая набор из восьми изолированных транзисторов, была рассчитана на работу в режиме А. Благодаря переводу в режим А в выходном токе EGC-101 практически отсутствовали неблагозвучные нечётные гармоники[20]; характерный «почерк» этой ИС определялся исключительно уровнем чётных гармоник, который зависел от точности балансировки нуля[20].
В 1981 году, после четырёх лет экспериментов, на рынок вышло первое семейство полупроводниковых ИС компании dbx, Inc. — dbx2150/2151/2155[1] (разработчик — Дэйв Уэлланд, будущий основатель Silicon Labs[37]). Под этими тремя обозначениями продавалась одна и та же ИС: лучшие образцы маркировались кодом 2151, худшие — 2155[1], а наибольшее распространение получила средняя по качеству серия dbx2150[38]. Однорядный корпус с восемью выводами (SIP8) и его цоколёвка обеспечивали отличную изоляцию входных и выходных сигналов и стали отраслевым стандартом, а впоследствии воспроизводились в улучшенных вариантах блэкмеровской схемы — dbx2100, THAT2150, THAT2181 и так далее[10]. Основным потребителем прецизионных микросхем этого поколения был и остаётся узкий круг производителей студийной аппаратуры[39]. Попытки вывести на рынок бытовой аппаратуры систему шумопонижения dbx, ядром которой служила ячейка Блэкмера в связке с блэкмеровским же детектором среднеквадратического напряжения, закончились поражением[40]. Единственным действительно массовым рынком стали оснащённые системой dbx декодеры системы телевещания с многоканальной передачей звука стандарта BTSC, действовавшего в США с 1984 по 2009 годы[41].
После ухода Блэкмера из dbx, Inc. компанию поглотил конгломерат Harman International. В 1989 году dbx, Inc. разделилась: Harman International оставила себе производство студийной аппаратуры, а возглавляемое учениками Блэкмера производство микросхем стало независимой компанией THAT Corporation. Именно к ней перешли права на патенты Блэкмера и торговая марка Blackmer[42]. По состоянию на февраль 2016 года, THAT Corporation продолжает выпуск двух одиночных и одного сдвоенного УНУ по схеме Блэкмера[43].
Комментарии
- ↑ Вторая равноценная схема этого рода - модулятор Дугласа Фрея (англ. Operational Voltage-Controlled Element, OVCE), восходящий к базовой схеме ячейки Гилберта[4].
- ↑ Первое утверждение (равенство токов) предполагает идентичность входных и выходных транзисторов, второе, кроме того — и равенство масштабирующих сопротивлений R в цепях обратной связи ОУ.
- ↑ Например, в выпускаемой в XXI веке ИС THAT2181 управляющее напряжение восьмитранзисторного ядра может составлять от -540 до +180 мВ, при этом коэффициент передачи при 300К изменяется от -90 до +30дБ[2].
- ↑ Два других побочных следствия — увеличение емкостей pn-переходов и уменьшение теплового шума транзисторов. Ни то, ни другое на практике не имеет особого значения. Влияние емкостей в токовой схеме минимально (напряжения на выводах транзисторов практически постоянны). Мощность теплового шума, как правило, намного ниже мощности дробового шума[16].
- ↑ Пол Конрад Бафф (1936—2015) — звукоинженер, в 1970-е сотрудничавший с Фрэнком Заппой и профессионально занимавшийся разработкой звукового оборудования. Основатель компании Allison Research, после её объединения с Valley Audio — руководитель объединённой Valley People. В 1980-е годы отошёл от музыкального бизнеса и занялся разработкой и производством светотехники для профессиональной фотографии (торговая марка Paul C. Buff, Inc.)[26].
- ↑ Эффективное сопротивление эмиттера Ree равно Re + Rb/(β+1), где Re, Rb — активные сопротивления эмиттера и базы, β — коэффициент усиления тока в схеме с общим эмиттером[29].
Примечания
- 1 2 3 4 5 6 7 8 9 10 11 12 Duncan, 1989, p. 58.
- 1 2 Tyler and Kirkwood, 2015, p. 131.
- ↑ Tyler and Kirkwood, 2015, pp. 131—132.
- 1 2 Tyler and Kirkwood, 2015, p. 130.
- 1 2 3 Tyler and Kirkwood, 2015, p. 132.
- 1 2 That Corp., 2002, p. 2.
- ↑
- Franco, S. Current-feedback amplifiers // Analog Circuits / ed. Pease, R.. — Newnes, 2008. — P. 270. — (World Class Designs). — ISBN 9780080569819.
- 1 2 3 Israelsohn, 2002, p. 39.
- 1 2 3 4 Israelsohn, 2002, p. 40.
- 1 2 3 4 Self, 2010, p. 499.
- ↑ That Corp., 2002, p. 7.
- 1 2 Hebert, 1995, p. 3.
- ↑ Hebert, 1995, pp. 5, 6, 7.
- 1 2 3 4 5 Hebert, 1995, p. 5.
- 1 2 3 Hebert, 1995, p. 6.
- 1 2 3 Hebert, 1995, pp. 10, 11.
- 1 2 Hebert, 1995, pp. 6, 7.
- 1 2 3 Hebert, 1995, p. 7.
- 1 2 3 Hebert, 1995, p. 10.
- 1 2 3 4 5 6 7 8 9 10 11 12 13 Duncan, 1989, p. 59.
- 1 2 Hebert, 1995, p. 11.
- ↑ Hebert, 1995, p. 11 (формула 26).
- 1 2 3 4 5 Hebert, 1995, p. 12.
- ↑ Hebert, 1995, pp. 12, 13, 14.
- 1 2 Hebert, 1995, p. 13.
- ↑ Michael Zhang. Lighting Gear Pioneer Paul C. Buff Passes Away at the Age of 78. petapixel.com (2015). Дата обращения: 24 марта 2016. Архивировано 4 марта 2016 года.
- ↑ That Corp., 2002, p. 4.
- 1 2 Duncan, 1989, p. 60.
- 1 2 3 4 Hebert, 1995, p. 4.
- 1 2 3 That Corp., 2002, p. 3.
- ↑ That Corp., 2002, pp. 3, 4.
- 1 2 3 4 5 6 Hebert, 1995, p. 8.
- ↑ Hebert, 1995, p. 9.
- 1 2 3 4 5 Tyler and Kirkwood, 2015, p. 129.
- 1 2 3 Adams, 2006, p. xi.
- ↑ Tyler and Kirkwood, 2015, pp. 129, 130.
- 1 2 A Brief History of VCAs. THAT Corporation. Дата обращения: 7 марта 2016. Архивировано из оригинала 3 июля 2020 года.
- ↑ Self, 2010, p. 498.
- ↑ Israelsohn, 2002, p. 42.
- ↑ Сухов, Н. Dolby B, Dolby C, Dolby S ... dbx? (часть 5) // Радиохобби. — 1999. — № 4. — С. 45.
- ↑ Graham Jones et al. National Association of Broadcasters Engineering Handbook: NAB Engineering Handbook. — Taylor & Francis, 2013. — P. 1515-1520. — ISBN 9781136034107.
- ↑ Tyler and Kirkwood, 2015, pp. 130, 131.
- ↑ Blackmer® Voltage Controlled Amplifiers. THAT Corporation. Дата обращения: 25 февраля 2016. Архивировано из оригинала 4 марта 2016 года.
Литература
- Robert Adams. Foreword // Design and Analysis of Integrator-Based Log-Domain Filter Circuits / ed. Gordon W. Roberts, Vincent W. Leung. — Springer Science & Business Media, 2006. — ISBN 9780306470547.
- Ron Dow and Dan Parks. Understanding and Using VCAs // Broadcast Engineering. — 1990. — № September. — P. 84—94.
- Ben Duncan. VCAs Investigated. Part Two // Studio Sound. — 1989. — № July. — P. 58—62.
- Gary K. Hebert. An Improved Monolithic Voltage-Controlled Amplifier // The 99th Convention of the Audio Engineering Society. 1995, October 6-9, New York. — 1995. — P. 1-34 (препринт).
- Joshua Israelsohn. Gain Control // Electronic Design News. — 2002. — № August. — P. 38—46.
- Self, D. Small Signal Audio Design. — Focal Press / Elsevier, 2010. — ISBN 9780240521770.
- That Corporation. Upgrading modular VCAs // That Corporation Application Note. — 2002. — № 127. — P. 1-8.
- Les Tyler and Wayne Kirkwood. Dedicated Analog Circuits for Audio Applications // Handbook for Sound Engineers (fifth edition) / Greg Ballou. — CRC Press, 2015. — P. 128-151. — ISBN 9781135016661.